Запчасти Hyundai HDF20/HDF25/HDF30-2 PAGE 3050 HYDRAULIC PIPING 3 ГИДРАВЛИЧЕСКАЯ СИСТЕМА

Схема запчастей Hyundai HDF20/HDF25/HDF30-2 - PAGE 3050 HYDRAULIC PIPING 3 ГИДРАВЛИЧЕСКАЯ СИСТЕМА
FIT
1:1
100%

Артикул

Название

Примечание

Количество

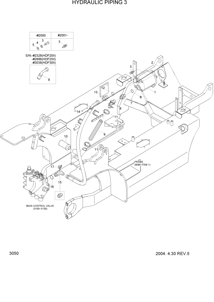
1

F12600100

PUMP(NIHON SPINDLE)

1шт.

2

F12640180

GASKET

1шт.

3

201510030

BOLT-HEX

#2000

2шт.

3

S403-102002

WASHER-PLAIN

#2001

2шт.

4

233310000

WASHER-SPRING

#2000

2шт.

5

232110000

WASHER-PLAIN

#2000

2шт.

6

2Q1202800

O-RING

1шт.

7

28K110305

CONNECTOR-O RING TYPE

1шт.

8

F12610100

SUCTION FLANGE

HDF20-2 #2328

1шт.

8

31FD-00110

ELBOW-45

HDF20-2 #2329

1шт.

8

F12610100

SUCTION FLANGE

HDF25-2 #2886

1шт.

8

31FD-00110

ELBOW-45

HDF25-2 #2887

1шт.

8

F12610100

SUCTION FLANGE

HDF30-2 #3038

1шт.

8

31FD-00110

ELBOW-45

HDF30-2 #3039

1шт.

9

F12610051

HOSE-RUBBER

HDF20-2 #1554

1шт.

9

F12610052

HOSE-RUBBER

HDF20-2 #1555 - #2328

1шт.

9

P760-053030

HOSE-RUBBER LOW

HDF20-2 #2329

1шт.

9

F12610051

HOSE-RUBBER

HDF25-2 #1554

1шт.

9

F12610052

HOSE-RUBBER

HDF25-2 #1555 - #2886

1шт.

9

P760-053030

HOSE-RUBBER LOW

HDF25-2 #2887

1шт.

9

F12610051

HOSE-RUBBER

HDF30-2 #1486

1шт.

9

F12610052

HOSE-RUBBER

HDF30-2 #1487 - #3038

1шт.

9

P760-053030

HOSE-RUBBER LOW

HDF30-2 #3039

1шт.

10

FHC1007100

STRAINER-SUCTION

1шт.

11

2C5304400

CLAMP

2шт.

12

2Q1201800

O-RING

1шт.

13

28K110303

CONNECTOR

HDF20-2 #2328

1шт.

13

28K110303

CONNECTOR

HDF25-2 #2886

1шт.

13

28K110303

CONNECTOR

HDF30-2 #3038

1шт.

14

29R008526

HOSE ASSY-THD 90X45

HDF20/25-2 #1457

1шт.

14

29P208522

HOSE ASSY-THD 0X45

HDF20/25-2 #1458

1шт.

14

29R008526

HOSE ASSY-THD 90X45

HDF30-2 #1413

1шт.

14

29P208522

HOSE ASSY-THD 0X45

HDF30-2 #1414

1шт.

15

28K310312

CONNECTOR

HDF20/25-2 #1457

1шт.

15

F23611231

ELBOW

HDF20/25-2 #1458

1шт.

15

28K310312

CONNECTOR

HDF30-2 #1413

1шт.

15

F23611231

ELBOW

HDF30-2 #1414

1шт.

16

S611-019001

O-RING

#2001

1шт.

17

F12610120

COUPLING-TEST

HDF20/25-2 #1458

1шт.

17

F12610120

COUPLING-TEST

HDF30-2 #1414

1шт.

Выбрано товаров: 40