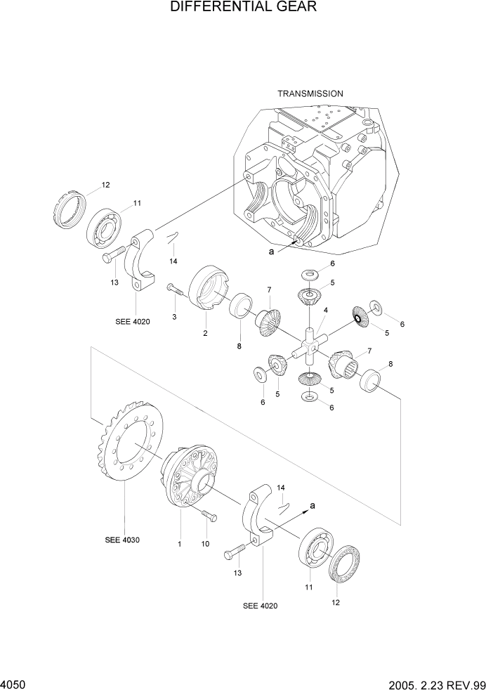
Запчасти Hyundai HDF20/HDF25/HDF30-2 PAGE 4050 DIFFERENTIAL GEAR СИЛОВАЯ СИСТЕМА

Схема запчастей Hyundai HDF20/HDF25/HDF30-2 - PAGE 4050 DIFFERENTIAL GEAR СИЛОВАЯ СИСТЕМА
FIT
1:1
100%

Артикул

Название

Примечание

Количество

*

FAC0300130

DIFF CASE ASSY

1шт.

N1

F12310170

DIFF CASE

NOT #2001

1шт.

N2

F12310180

CASE

NOT #2001

1шт.

3

201510070

BOLT-HEX

12шт.

4

FAC0313010

SPIDER

1шт.

5

FAC0313020

PINION-DIFFERENTIAL

4шт.

6

FAC0313030

WASHER

4шт.

7

FAC0313040

PINION-DIFFERENTIAL

2шт.

8

FAC0313050

BUSHING

2шт.

10

FAC0313060

BOLT

12шт.

11

FAC0313070

BEARING-TAPER

2шт.

12

FAC0313080

GEAR-SCREW

2шт.

13

FAC0313090

BOLT

2шт.

14

FAC8800250

PIN-COTTER

2шт.

N

@

NOT INDIVIDUALLY SUPPLIED

NOT

ARшт.

Выбрано товаров: 15