Запчасти Hyundai 10/13BR PAGE 2010 3-SPOOL CONTROL VALVE LEVER(STD, NORMAL) ГИДРАВЛИЧЕСКАЯ СИСТЕМА

Схема запчастей Hyundai 10/13BR - PAGE 2010 3-SPOOL CONTROL VALVE LEVER(STD, NORMAL) ГИДРАВЛИЧЕСКАЯ СИСТЕМА
FIT
1:1
100%

Артикул

Название

Примечание

Количество

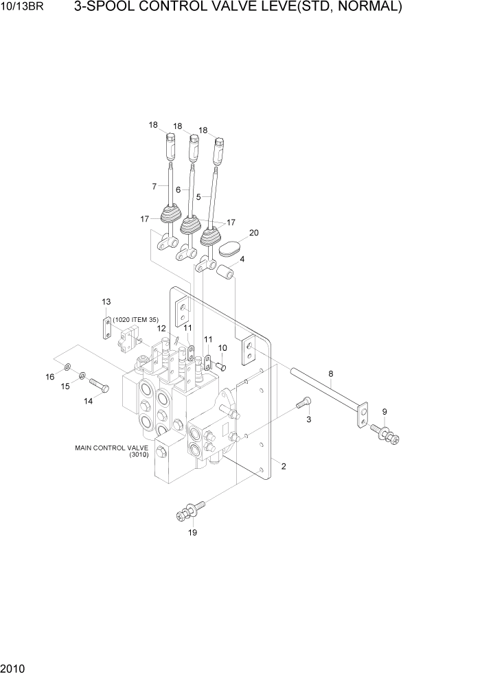
2

31FS-40512

BRACKET WA-MCV

1шт.

3

81HJ-20261

BOLT-SOCKET FLAT HEAD

3шт.

4

B51600110

SPACER

1шт.

5

31FS-40020

LEVER ASSY

1шт.

5-1

FAC1000680

DU BUSH-FLANGE

NOT SHOWN

2шт.

6

31FS-40030

LEVER ASSY

1шт.

6-1

FAC1000680

DU BUSH-FLANGE

NOT SHOWN

2шт.

7

31FS-40040

LEVER ASSY

1шт.

7-1

FAC1000680

DU BUSH-FLANGE

NOT SHOWN

2шт.

8

B51330030

SHAFT

1шт.

9

S035-061526

BOLT-W/WASHER

1шт.

10

S491-060222

PIN-CLEVIS

6шт.

11

5851077500-01

LINK

6шт.

12

S501-060002

PIN-SELF LOCKING

6шт.

13

B52110070

BRACKET

3шт.

14

S015-040306

BOLT-HEX

6шт.

15

S411-040006

WASHER-SPRING

6шт.

16

S403-04100B

WASHER-PLAIN

6шт.

17

31FS-40050

BELLOWS-VALVE LEVER

3шт.

18

31FS-40070

KNOB

3шт.

19

S035-082526

BOLT-W/WASHER

3шт.

20

31FS-40060

CAP-C/LEVER

1шт.

Выбрано товаров: 22