Запчасти Hyundai HBR14/HBR15/HBR18-7 PAGE 1020 ELECTRIC 2 ЭЛЕКТРИЧЕСКАЯ СИСТЕМА

Схема запчастей Hyundai HBR14/HBR15/HBR18-7 - PAGE 1020 ELECTRIC 2 ЭЛЕКТРИЧЕСКАЯ СИСТЕМА
FIT
1:1
100%

Артикул

Название

Примечание

Количество

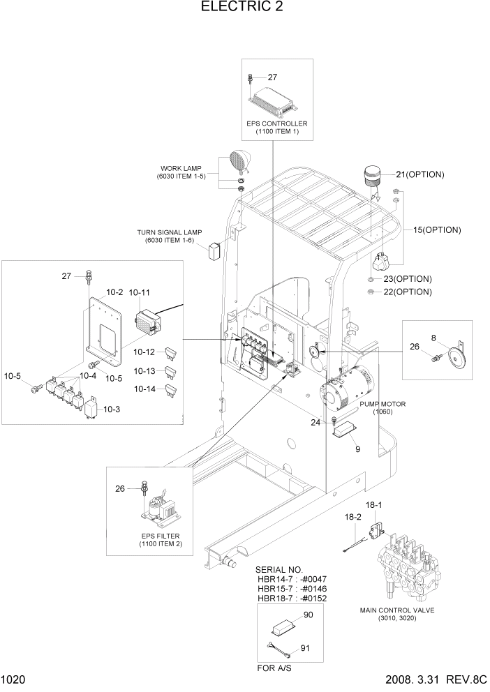
8

21M8-00070

HORN-HIGH

1шт.

9

21FH-52010

DC-DC CONVERTER

HBR14-7,NON-UL #0047

1шт.

9

21FH-72260

DC-DC CONVERTER

HBR14-7 #0048

1шт.

9

21FH-52010

DC-DC CONVERTER

HBR15-7,NON-UL #0146

1шт.

9

21FH-72260

DC-DC CONVERTER

HBR15-7 #0147

1шт.

9

21FH-52010

DC-DC CONVERTER

HBR18-7,NON-UL #0152

1шт.

9

21FH-72260

DC-DC CONVERTER

HBR18-7 #0153

1шт.

9

21FH-52020

DC-DC CONVERTER

HBR14-7,UL #0047

1шт.

9

21FH-52020

DC-DC CONVERTER

HBR15-7,UL #0146

1шт.

9

21FH-52020

DC-DC CONVERTER

HBR18-7,UL #0152

1шт.

9-1

266025020

FUSE-20A

UL,NOT SHOWN

2шт.

10

21FP-72160

SUB ASSY-RELAY

1шт.

10-1

21FP-72120

FUSE BOX ASSY

1шт.

10-11

21FP-72130

COVER & DECAL

1шт.

10-12

S841-103000

FUSE-BLADE, 30A

2шт.

10-13

S841-101500

FUSE-15A

2шт.

10-14

S841-101000

FUSE-10A

8шт.

10-2

21FP-72140

BRACKET-RELAY

1шт.

10-3

21M6-40052

FLASHER UNIT ASSY

1шт.

10-4

21E3-0011

RELAY

4шт.

10-5

S132-061546

SCREW-W/WASHER

7шт.

15

F12840010

LAMP SUB ASSY-WORK

OPT #0077

1шт.

15

F12840011

LAMP SUB ASSY-WORK

OPT, HBR14-7 #0078

1шт.

15

F12840010

LAMP SUB ASSY-WORK

OPT #0216

1шт.

15

F12840011

LAMP SUB ASSY-WORK

OPT, HBR15-7 #0217

1шт.

15

F12840010

LAMP SUB ASSY-WORK

OPT #0252

1шт.

15

F12840011

LAMP SUB ASSY-WORK

OPT, HBR18-7 #0253

1шт.

15-1

S866-120550

BULB

NOT SHOWN

1шт.

18

21FP-72051

SWITCH ASSY-3 SPOOL

STD CNTL

1шт.

18

21FP-72190

SWITCH ASSY-3 SPOOL

OPT(ANTI CNTL)

1шт.

18

21FP-72061

SWITCH ASSY-4 SPOOL

STD CNTL

1шт.

18

21FP-72200

SWITCH ASSY-4 SPOOL

OPT(ANTI CNTL)

1шт.

18-1

310006190

SWITCH-MICRO

3 SPOOL

3шт.

18-1

310006190

SWITCH-MICRO

4 SPOOL

4шт.

18-2

21FP-75021

HARNESS-3 SPOOL

STD CNTL

1шт.

18-2

21FP-75080

HARNESS-3 SPOOL

OPT(ANTI CNTL)

1шт.

18-2

21FP-75031

HARNESS-4 SPOOL

STD CNTL

1шт.

18-2

21FP-75090

HARNESS-4 SPOOL

OPT(ANTI CNTL)

1шт.

21

F23842010

STROBE LAMP-RED

RED #0077

1шт.

21

21HA-20320

LAMP-BEACON, RED

RED, HBR14-7 #0078

1шт.

21

F23842010

STROBE LAMP-RED

RED #0216

1шт.

21

21HA-20320

LAMP-BEACON, RED

RED, HBR15-7 #0217

1шт.

21

F23842010

STROBE LAMP-RED

RED #0252

1шт.

21

21HA-20320

LAMP-BEACON, RED

RED, HBR18-7 #0253

1шт.

21

21FG-10810

STROBE LAMP-AMBER

AMBER,HBR14-7 #0034 - #0077

1шт.

21

21HA-20310

LAMP-BEACON, AMBER

AMBER,HBR14-7 #0078

1шт.

21

21FG-10810

STROBE LAMP-AMBER

AMBER,HBR15-7 #0113 - #0216

1шт.

21

21HA-20310

LAMP-BEACON, AMBER

AMBER,HBR15-7 #0217

1шт.

21

21FG-10810

STROBE LAMP-AMBER

AMBER,HBR18-7 #0108 - #0252

1шт.

21

21HA-20310

LAMP-BEACON, AMBER

AMBER,HBR18-7 #0253

1шт.

21

21FG-10820

STROBE LAMP-BLUE

BLUE,HBR14-7 #0034 - #0077

1шт.

21

21HA-20330

LAMP-BEACON, BLUE

BLUE,HBR14-7 #0078

1шт.

21

21FG-10820

STROBE LAMP-BLUE

BLUE,HBR15-7 #0113 - #0216

1шт.

21

21HA-20330

LAMP-BEACON, BLUE

BLUE,HBR15-7 #0217

1шт.

21

21FG-10820

STROBE LAMP-BLUE

BLUE,HBR18-7 #0108 - #0252

1шт.

21

21HA-20330

LAMP-BEACON, BLUE

BLUE,HBR18-7 #0253

1шт.

21-1

21FG-10850

GLOBE-RED

RED,NOT SHOWN

1шт.

21-1

21FG-10860

GLOBE-AMBER

AMBER,NOT SHOWN

1шт.

21-1

21FG-10870

GLOBE-BLUE

BLUE,NOT SHOWN

1шт.

22

S203-041006

NUT-HEX

OPT,HBR14-7 #0021

3шт.

22

S203-041002

NUT-HEX

OPT,HBR14-7 #0022

3шт.

22

S203-041006

NUT-HEX

OPT,HBR15-7 #0056

3шт.

22

S203-041002

NUT-HEX

OPT,HBR15-7 #0057

3шт.

22

S203-041006

NUT-HEX

OPT,HBR18-7 #0059

3шт.

22

S203-041002

NUT-HEX

OPT,HBR18-7 #0060

3шт.

23

S411-040006

WASHER-SPRING

OPT,HBR14-7 #0021

3шт.

23

S411-040002

WASHER-SPRING

OPT,HBR14-7 #0022

3шт.

23

S411-040006

WASHER-SPRING

OPT,HBR15-7 #0056

3шт.

23

S411-040002

WASHER-SPRING

OPT,HBR15-7 #0057

3шт.

23

S411-040006

WASHER-SPRING

OPT,HBR18-7 #0059

3шт.

23

S411-040002

WASHER-SPRING

OPT,HBR18-7 #0060

3шт.

24

S132-061546

SCREW-W/WASHER

HBR14-7 #0021

4шт.

24

S132-06152V

SCREW-W/WASHER

HBR14-7 #0022

4шт.

24

S132-061546

SCREW-W/WASHER

HBR15-7 #0056

4шт.

24

S132-06152V

SCREW-W/WASHER

HBR15-7 #0057

4шт.

24

S132-061546

SCREW-W/WASHER

HBR18-7 #0059

4шт.

24

S132-06152V

SCREW-W/WASHER

HBR18-7 #0060

4шт.

26

S035-081526

BOLT-W/WASHER

HBR14-7 #0021

5шт.

26

S035-081522

BOLT-W/WASHER

HBR14-7 #0022

5шт.

26

S035-081526

BOLT-W/WASHER

HBR15-7 #0056

5шт.

26

S035-081522

BOLT-W/WASHER

HBR15-7 #0057

5шт.

26

S035-081526

BOLT-W/WASHER

HBR18-7 #0059

5шт.

26

S035-081522

BOLT-W/WASHER

HBR18-7 #0060

5шт.

27

S035-082026

BOLT-W/WASHER

HBR14-7 #0021

6шт.

27

S035-082022

BOLT-W/WASHER

HBR14-7 #0022

6шт.

27

S035-082026

BOLT-W/WASHER

HBR15-7 #0056

6шт.

27

S035-082022

BOLT-W/WASHER

HBR15-7 #0057

6шт.

27

S035-082026

BOLT-W/WASHER

HBR18-7 #0059

6шт.

27

S035-082022

BOLT-W/WASHER

HBR18-7 #0060

6шт.

90

21FH-72260

DC-DC CONVERTER

FOR A/S,HBR14-7 #0047

1шт.

90

21FH-72260

DC-DC CONVERTER

FOR A/S,HBR15-7 #0146

1шт.

90

21FH-72260

DC-DC CONVERTER

FOR A/S,HBR18-7 #0152

1шт.

91

21FH-75130

HARNESS-CONVERTER

FOR A/S,HBR14-7 #0047

1шт.

91

21FH-75130

HARNESS-CONVERTER

FOR A/S,HBR15-7 #0146

1шт.

91

21FH-75130

HARNESS-CONVERTER

FOR A/S,HBR18-7 #0152

1шт.

Выбрано товаров: 95