Запчасти Hyundai 16/18/20B-7 PAGE 2070 HYDRAULIC OIL TANK ГИДРАВЛИЧЕСКАЯ СИСТЕМА

Схема запчастей Hyundai 16/18/20B-7 - PAGE 2070 HYDRAULIC OIL TANK ГИДРАВЛИЧЕСКАЯ СИСТЕМА
FIT
1:1
100%

Артикул

Название

Примечание

Количество

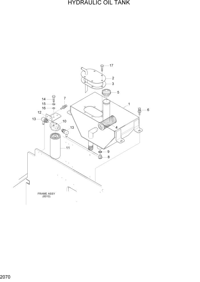
1

31HE-30012

HYD OIL TANK

1шт.

2

31HE-30050

FLANGE-HYD TANK

1шт.

3

31HE-30040

GASKET

1шт.

4

31HE-30060

FILTER-SUCTION

1шт.

5

31HE-30030

CAP ASSY(W/BREATHER)

1шт.

6

S035-082526

BOLT-W/WASHER

4шт.

7

S035-082026

BOLT-W/WASHER

2шт.

8

31FA-30430

PLUG-MAGNETIC

1шт.

9

S631-014004

O-RING

1шт.

10

31S1-1090

HEAD-FILTER

1шт.

11

31S1-1013

HYD OIL FILTER

1шт.

12

31FH-30031

BRACKET-FILTER MTG

1шт.

13

31FP-20040

ELBOW-RETURN

2шт.

13-1

S611-023001

O-RING(INCH)

NOT SHOWN

2шт.

14

31S1-1075-DA

BOLT-HEX

2шт.

15

31S1-1080-DA

WASHER-SPRING

2шт.

16

S403-06200B

WASHER-PLAIN

2шт.

17

31HA-30041

BOLT-HEX,WITH SEAL

6шт.

Выбрано товаров: 18