Запчасти Hyundai 16/18/20B-7 PAGE 4020 DRIVE UNIT MOUNTING СИЛОВАЯ СИСТЕМА

Схема запчастей Hyundai 16/18/20B-7 - PAGE 4020 DRIVE UNIT MOUNTING СИЛОВАЯ СИСТЕМА
FIT
1:1
100%

Артикул

Название

Примечание

Количество

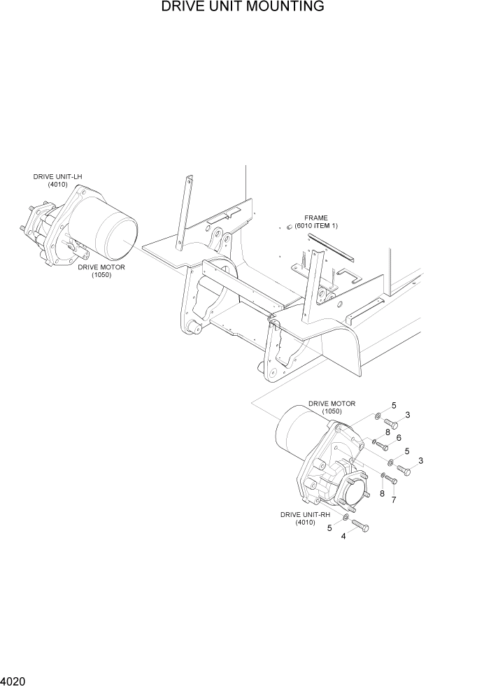
3

S017-140656

BOLT-HEX

4шт.

4

S017-141006

BOLT-HEX

10шт.

5

81FY-30030

WASHER-SPECIAL

14шт.

6

S015-080506

BOLT-HEX

2шт.

7

S015-080756

BOLT-HEX

4шт.

8

S403-08100B

WASHER-PLAIN

6шт.

Выбрано товаров: 6