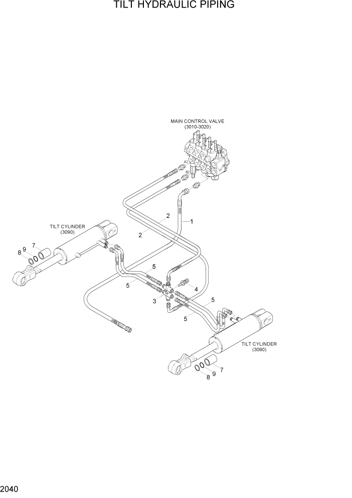
Запчасти Hyundai 20/25/30BH-7 PAGE 2040 TILT HYDRAULIC PIPING ГИДРАВЛИЧЕСКАЯ СИСТЕМА

Схема запчастей Hyundai 20/25/30BH-7 - PAGE 2040 TILT HYDRAULIC PIPING ГИДРАВЛИЧЕСКАЯ СИСТЕМА
FIT
1:1
100%

Артикул

Название

Примечание

Количество

1

P933-085021

HOSE ASSY-ORFS 0X90

1шт.

2

P930-064011

HOSE ASSY-ORFS 0X90

2шт.

3

31FH-70020

TEE BLOCK ASSY

1шт.

4

S035-083526

BOLT-W/WASHER

1шт.

5

P930-044008

HOSE ASSY-ORFS 0X90

4шт.

7

31FH-70510

SPACER-TILT CYL(6B)

41796

2шт.

7

31FH-70520

SPACER-TILT CYL(3B)

41701

2шт.

8

31FE-70210

SHIM(1.0T)

2шт.

9

S631-035004

O-RING,ORFS

2шт.

Выбрано товаров: 9