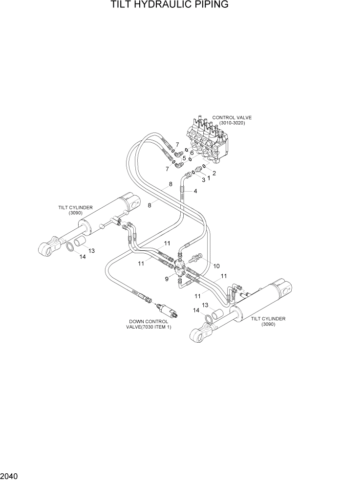
Запчасти Hyundai HBF20/HBF25/HBF30/HBF32/HBF20-7 PAGE 2040 TILT HYDRAULIC PIPING ГИДРАВЛИЧЕСКАЯ СИСТЕМА

Схема запчастей Hyundai HBF20/HBF25/HBF30/HBF32/HBF20-7 - PAGE 2040 TILT HYDRAULIC PIPING ГИДРАВЛИЧЕСКАЯ СИСТЕМА
FIT
1:1
100%

Артикул

Название

Примечание

Количество

1

X500-110003

CONNECTOR-ORFS

1шт.

2

S631-018004

O-RING

1шт.

3

S621-014001

O-RING,ORFS

1шт.

4

P933-085021

HOSE ASSY-ORFS 0X90

1шт.

5

X530-110002

ELBOW-45,ORFS

2шт.

6

S631-014004

O-RING

2шт.

7

S621-012001

O-RING,ORFS

2шт.

8

P930-064014

HOSE ASSY-ORFS 0X90

2шт.

9

31FH-70020

TEE BLOCK ASSY

1шт.

10

S035-083526

BOLT-W/WASHER

1шт.

11

P930-044008

HOSE ASSY-ORFS 0X90

4шт.

13

31FH-70010

SPACER-TILT CYL(6B)

TILT ANGLE(6/6)

2шт.

13

31FH-70030

SPACER-TILT CYL(3B)

TILT ANGLE(3/3)

2шт.

14

31FE-70210

SHIM(1.0T)

2шт.

Выбрано товаров: 14