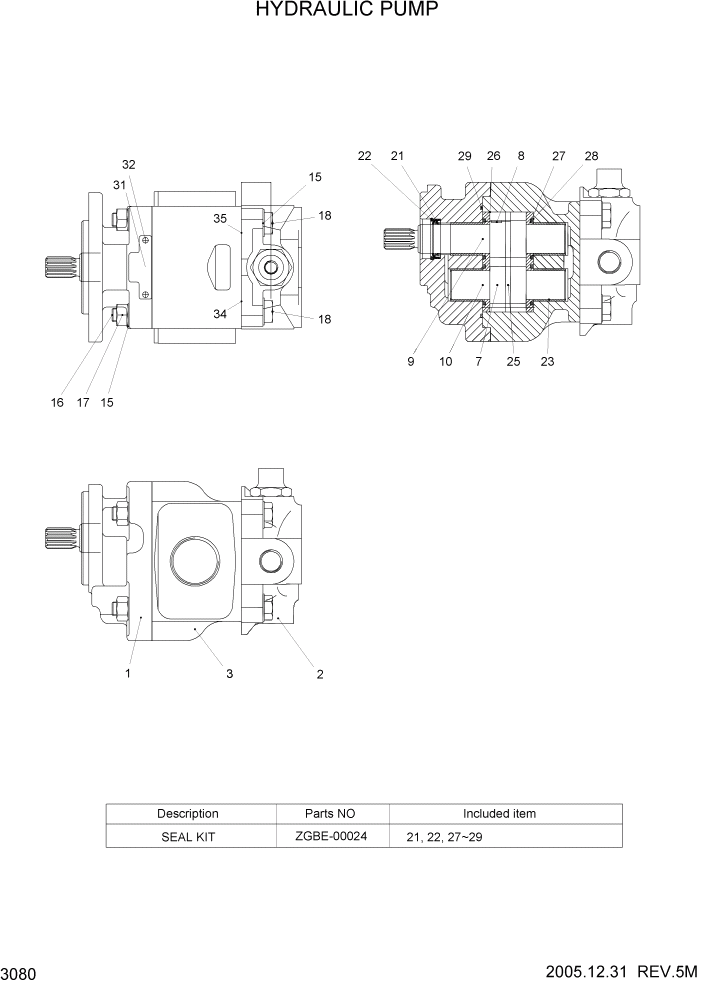
Запчасти Hyundai HBF20/HBF25/HBF30C-7 PAGE 3080 HYDRAULIC PUMP ГИДРАВЛИЧЕСКИЕ КОМПОНЕНТЫ

Схема запчастей Hyundai HBF20/HBF25/HBF30C-7 - PAGE 3080 HYDRAULIC PUMP ГИДРАВЛИЧЕСКИЕ КОМПОНЕНТЫ
FIT
1:1
100%

Артикул

Название

Примечание

Количество

*

31FH-01700

HYD GEAR PUMP W/PRIORITY V/V

1шт.

1

ZGBE-00001

FLANGE

1шт.

2

ZGBE-00002

PRIORITY VALVE

1шт.

3

ZGBE-00003

BODY

1шт.

7

ZGBE-00004

FLOATING GEAR

2шт.

8

ZGBE-00005

KEY

1шт.

9

ZGBE-00006

GEAR-DRIVE

1шт.

10

ZGBE-00007

DRIVEN GEAR

1шт.

15

ZGBE-00008

WASHER

8шт.

16

ZGBE-00009

SCREW

4шт.

17

ZGBE-00010

NUT

4шт.

18

ZGBE-00011

SCREW-CAP

4шт.

K21

ZGBE-00012

LIP SEAL

1шт.

K22

ZGBE-00013

CIRCLIP

1шт.

23

ZGBE-00014

BUSH

4шт.

25

ZGBE-00015

PLATE-CENTER

1шт.

26

ZGBE-00016

PLATE

2шт.

K27

ZGBE-00017

SEAL

2шт.

K28

ZGBE-00018

SEAL

2шт.

K29

ZGBE-00019

SEAL

1шт.

31

ZGBE-00020

PLATE-NAME

2шт.

32

ZGBE-00021

SCREW

2шт.

34

ZGBE-00022

O-RING

1шт.

35

ZGBE-00023

O-RING

1шт.

K

ZGBE-00024

SEAL KIT

SEE ILLUST

1шт.

*

31FH-01100

HYD.GEAR PUMP W/PRIORITY V/V

UL-EE,HBF20C-7 #0008

1шт.

*

31FH-01100

HYD.GEAR PUMP W/PRIORITY V/V

UL-EE,HBF25C-7 #0032

1шт.

*

31FH-01100

HYD.GEAR PUMP W/PRIORITY V/V

UL-EE,HBF30C-7 #0014

1шт.

1

ZGBE-00001

FLANGE

1шт.

2

ZGBE-00002

PRIORITY VALVE

1шт.

3

ZGBE-00057

BODY

1шт.

7

ZGBE-00060

FLOATING GEAR

2шт.

8

ZGBE-00061

KEY

1шт.

9

ZGBE-00058

DRIVE GEAR

1шт.

10

ZGBE-00059

DRIVEN GEAR

1шт.

15

ZGBE-00008

WASHER

8шт.

16

ZGBE-00009

SCREW

4шт.

17

ZGBE-00010

NUT

4шт.

18

ZGBE-00011

SCREW-CAP

4шт.

K21

ZGBE-00012

LIP SEAL

1шт.

K22

ZGBE-00013

CIRCLIP

1шт.

23

ZGBE-00014

BUSH

4шт.

25

ZGBE-00015

PLATE-CENTER

1шт.

26

ZGBE-00016

PLATE

2шт.

K27

ZGBE-00017

SEAL

2шт.

K28

ZGBE-00018

SEAL

2шт.

K29

ZGBE-00019

SEAL

1шт.

31

ZGBE-00020

PLATE-NAME

2шт.

32

ZGBE-00021

SCREW

2шт.

34

ZGBE-00022

O-RING

1шт.

35

ZGBE-00023

O-RING

1шт.

K

ZGBE-00024

SEAL KIT

SEE ILLUST

1шт.

Выбрано товаров: 0