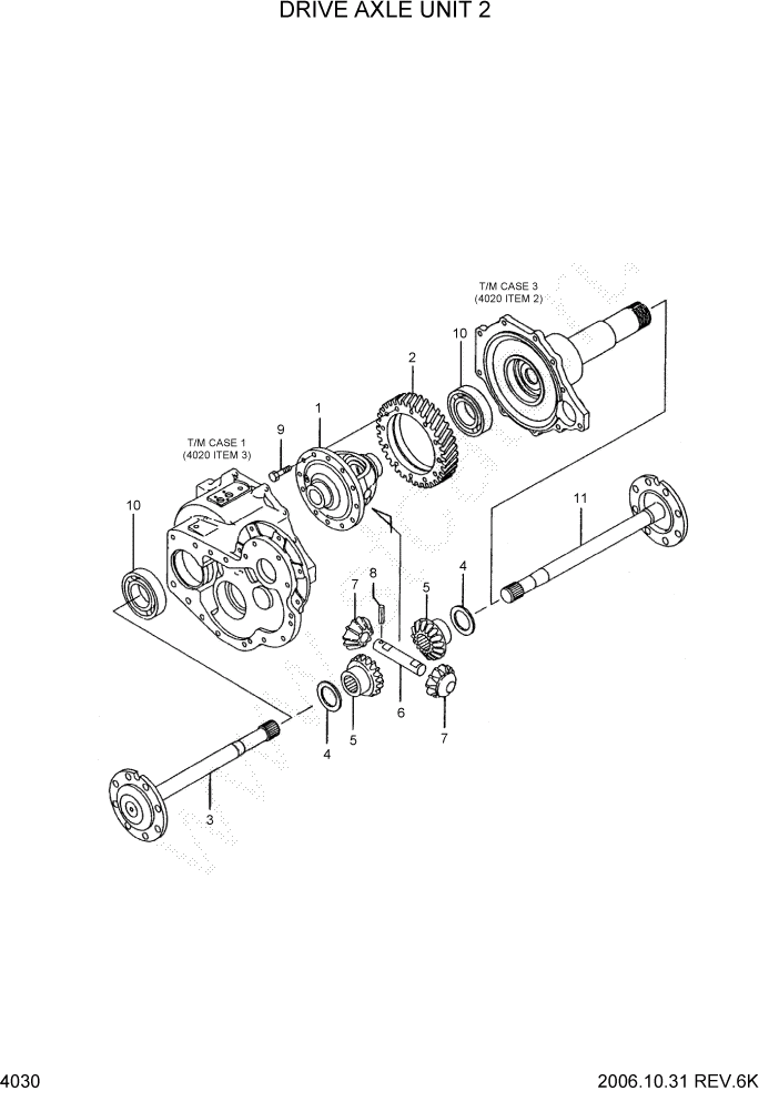
Запчасти Hyundai HBF20/HBF25/HBF30C-7 PAGE 4030 DRIVE AXLE UNIT 2 СИЛОВАЯ СИСТЕМА

Схема запчастей Hyundai HBF20/HBF25/HBF30C-7 - PAGE 4030 DRIVE AXLE UNIT 2 СИЛОВАЯ СИСТЕМА
FIT
1:1
100%

Артикул

Название

Примечание

Количество

*

@

DRIVE AXLE ASSY

NOT

1шт.

1

XKBT-00015

CASE-DIFF

1шт.

2

XKBT-00016

GEAR4

1шт.

3

XKBT-00056

SHAFT2-DRIVE

1шт.

4

XKBT-00018

WASHER

#0001

2шт.

5

XKBT-00019

GEAR-SIDE

2шт.

6

XKBT-00020

SHAFT-P/GEAR

1шт.

7

XKBT-00021

GEAR-PINION

2шт.

8

XKBT-00022

PIN SPRING

1шт.

9

XKBT-00023

BOLT

12шт.

10

XKBT-00024

BEARING-BALL

2шт.

11

XKBT-00057

SHAFT1-DRIVE

1шт.

Выбрано товаров: 0