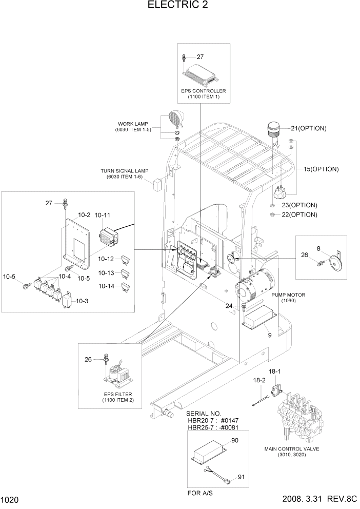
Запчасти Hyundai HBR20/HBR25-7 PAGE 1020 ELECTRIC 2 picture 2 ЭЛЕКТРИЧЕСКАЯ СИСТЕМА

Схема запчастей Hyundai HBR20/HBR25-7 - PAGE 1020 ELECTRIC 2 picture 2 ЭЛЕКТРИЧЕСКАЯ СИСТЕМА
FIT
1:1
100%

Артикул

Название

Примечание

Количество

8

21M8-00070

HORN-HIGH

1шт.

9

21FH-52010

DC-DC CONVERTER

HBR20-7,NON-UL #0147

1шт.

9

21FH-72260

DC-DC CONVERTER

HBR20-7 #0148

1шт.

9

21FH-52010

DC-DC CONVERTER

HBR25-7,NON-UL #0081

1шт.

9

21FH-72260

DC-DC CONVERTER

HBR25-7 #0082

1шт.

9

21FH-52020

DC-DC CONVERTER

HBR20-7,UL #0147

1шт.

9

21FH-52020

DC-DC CONVERTER

HBR25-7,UL #0081

1шт.

9-1

266025020

FUSE-20A

UL,NOT SHOWN

2шт.

10

21FP-72160

SUB ASSY-RELAY

1шт.

10-1

21FP-72120

FUSE BOX ASSY

1шт.

10-11

21FP-72130

COVER & DECAL

1шт.

10-12

S841-103000

FUSE-BLADE, 30A

2шт.

10-13

S841-101500

FUSE-15A

2шт.

10-14

S841-101000

FUSE-10A

8шт.

10-2

21FP-72140

BRACKET-RELAY

1шт.

10-3

21M6-40052

FLASHER UNIT ASSY

1шт.

10-4

21E3-0011

RELAY

4шт.

10-5

S132-061546

SCREW-W/WASHER

7шт.

15

F12840010

LAMP SUB ASSY-WORK

OPT #0215

1шт.

15

F12840011

LAMP SUB ASSY-WORK

OPT, HBR20-7 #0216

1шт.

15

F12840010

LAMP SUB ASSY-WORK

OPT #0155

1шт.

15

F12840011

LAMP SUB ASSY-WORK

OPT, HBR25-7 #0156

1шт.

15-1

S866-120550

BULB

NOT SHOWN

1шт.

18

21FP-72051

SWITCH ASSY-3 SPOOL

STD CNTL

1шт.

18

21FP-72190

SWITCH ASSY-3 SPOOL

OPT(ANTI CNTL)

1шт.

18

21FP-72061

SWITCH ASSY-4 SPOOL

STD CNTL

1шт.

18

21FP-72200

SWITCH ASSY-4 SPOOL

OPT(ANTI CNTL)

1шт.

18-1

310006190

SWITCH-MICRO

3 SPOOL

3шт.

18-1

310006190

SWITCH-MICRO

4 SPOOL

4шт.

18-2

21FP-75021

HARNESS-3 SPOOL

STD CNTL

1шт.

18-2

21FP-75080

HARNESS-3 SPOOL

OPT(ANTI CNTL)

1шт.

18-2

21FP-75031

HARNESS-4 SPOOL

STD CNTL

1шт.

18-2

21FP-75090

HARNESS-4 SPOOL

OPT(ANTI CNTL)

1шт.

21

F23842010

STROBE LAMP-RED

RED, HBR20-7 #0215

1шт.

21

21HA-20320

LAMP-BEACON, RED

RED, HBR20-7 #0216

1шт.

21

F23842010

STROBE LAMP-RED

RED, HBR25-7 #0155

1шт.

21

21HA-20320

LAMP-BEACON, RED

RED, HBR25-7 #0156

1шт.

21

21FG-10810

STROBE LAMP-AMBER

AMBER,HBR20-7 #0117 - #0215

1шт.

21

21HA-20310

LAMP-BEACON, AMBER

AMBER,HBR20-7 #0216

1шт.

21

21FG-10810

STROBE LAMP-AMBER

AMBER,HBR25-7 #0054 - #0155

1шт.

21

21HA-20310

LAMP-BEACON, AMBER

AMBER,HBR25-7 #0156

1шт.

21

21FG-10820

STROBE LAMP-BLUE

BLUE,HBR20-7 #0117 - #0215

1шт.

21

21HA-20330

LAMP-BEACON, BLUE

BLUE,HBR20-7 #0216

1шт.

21

21FG-10820

STROBE LAMP-BLUE

BLUE,HBR25-7 #0054 - #0155

1шт.

21

21HA-20330

LAMP-BEACON, BLUE

BLUE,HBR25-7 #0156

1шт.

21-1

21FG-10850

GLOBE-RED

RED,NOT SHOWN

1шт.

21-1

21FG-10860

GLOBE-AMBER

AMBER,NOT SHOWN

1шт.

21-1

21FG-10870

GLOBE-BLUE

BLUE,NOT SHOWN

1шт.

22

S203-041006

NUT-HEX

OPT,HBR20-7 #0061

3шт.

22

S203-041002

NUT-HEX

OPT,HBR20-7 #0062

3шт.

22

S203-041006

NUT-HEX

OPT,HBR25-7 #0041

3шт.

22

S203-041002

NUT-HEX

OPT,HBR25-7 #0042

3шт.

23

S411-040006

WASHER-SPRING

OPT,HBR20-7 #0061

3шт.

23

S411-040002

WASHER-SPRING

OPT,HBR20-7 #0062

3шт.

23

S411-040006

WASHER-SPRING

OPT,HBR25-7 #0041

3шт.

23

S411-040002

WASHER-SPRING

OPT,HBR25-7 #0042

3шт.

24

S132-061546

SCREW-W/WASHER

HBR20-7 #0061

4шт.

24

S132-06152V

SCREW-W/WASHER

HBR20-7 #0062

4шт.

24

S132-061546

SCREW-W/WASHER

HBR25-7 #0041

4шт.

24

S132-06152V

SCREW-W/WASHER

HBR25-7 #0042

4шт.

26

S035-081526

BOLT-W/WASHER

HBR20-7 #0061

5шт.

26

S035-081522

BOLT-W/WASHER

HBR20-7 #0062

5шт.

26

S035-081526

BOLT-W/WASHER

HBR25-7 #0041

5шт.

26

S035-081522

BOLT-W/WASHER

HBR25-7 #0042

5шт.

27

S035-082026

BOLT-W/WASHER

HBR20-7 #0061

6шт.

27

S035-082022

BOLT-W/WASHER

HBR20-7 #0062

6шт.

27

S035-082026

BOLT-W/WASHER

HBR25-7 #0041

6шт.

27

S035-082022

BOLT-W/WASHER

HBR25-7 #0042

6шт.

90

21FH-72260

DC-DC CONVERTER

FOR A/S,HBR20-7 #0147

1шт.

90

21FH-72260

DC-DC CONVERTER

FOR A/S,HBR25-7 #0081

1шт.

91

21FH-75130

HARNESS-CONVERTER

FOR A/S,HBR20-7 #0147

1шт.

91

21FH-75130

HARNESS-CONVERTER

FOR A/S,HBR25-7 #0081

1шт.

Выбрано товаров: 72