Запчасти Hyundai HBR20/HBR25-7 PAGE 2010 3-SPOOL CONTROL VALVE LEVER ГИДРАВЛИЧЕСКАЯ СИСТЕМА

Схема запчастей Hyundai HBR20/HBR25-7 - PAGE 2010 3-SPOOL CONTROL VALVE LEVER ГИДРАВЛИЧЕСКАЯ СИСТЕМА
FIT
1:1
100%

Артикул

Название

Примечание

Количество

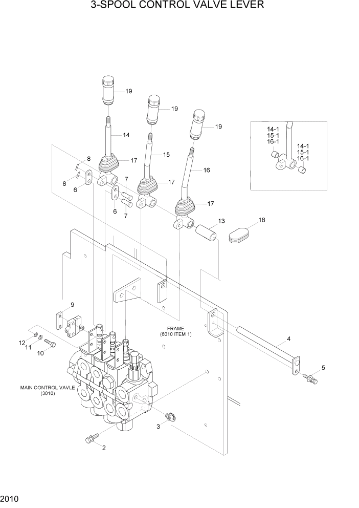
2

S035-082516

BOLT-W/WASHER HEX

3шт.

3

31EK-11130

COUPLING-SCREW

1шт.

4

B51330030

SHAFT

1шт.

5

S035-061526

BOLT-W/WASHER

1шт.

6

5851077500-01

LINK-VALVE

6шт.

7

S491-060222

PIN-CLEVIS

6шт.

8

S501-060002

PIN-SELF LOCKING

6шт.

9

B52110070

BRACKET-MICRO SWITCH

3шт.

10

S015-040306

BOLT-HEX

6шт.

11

S411-040006

WASHER-SPRING

6шт.

12

S403-041006

WASHER-PLAIN

6шт.

13

B51600110

SPACER

1шт.

14

31FS-40040

LEVER ASSY-4

1шт.

14-1

FAC1000680

DU-BUSH(FLANGE)

2шт.

15

31FS-40030

LEVER ASSY-3

1шт.

15-1

FAC1000680

DU-BUSH(FLANGE)

2шт.

16

31FS-40020

LEVER ASSY-2

1шт.

16-1

FAC1000680

DU-BUSH(FLANGE)

2шт.

17

31FS-40050

BELLOWS

3шт.

18

31FS-40060

CAP-C/LEVER

1шт.

19

31FS-40070

KNOB-LEVER

3шт.

Выбрано товаров: 21