Запчасти Hyundai 22/25/30/32B-7 PAGE 5050 PARKING BRAKE РУЛЕВОЕ & СИСТЕМА УПРАВЛЕНИЯ

Схема запчастей Hyundai 22/25/30/32B-7 - PAGE 5050 PARKING BRAKE РУЛЕВОЕ & СИСТЕМА УПРАВЛЕНИЯ
FIT
1:1
100%

Артикул

Название

Примечание

Количество

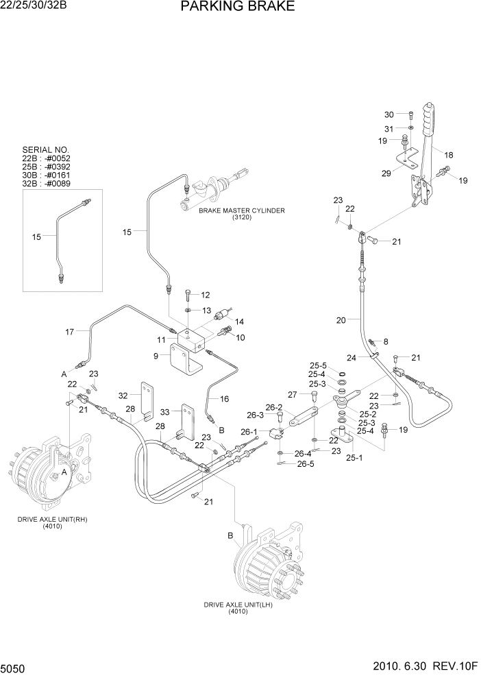
8

S035-081526

BOLT-W/WASHER

1шт.

9

81FH-47210

BRACKET-BLOCK

1шт.

10

S035-082526

BOLT-W/WASHER

22/25/30B-7

6шт.

10

S035-082526

BOLT-W/WASHER

32B-7 #0003

2шт.

10

S035-082526

BOLT-W/WASHER

32B-7 #0004

6шт.

11

81FH-47110

BLOCK-5 WAY

22B-7 #0020

1шт.

11

81FH-47111

BLOCK-5 WAY

22B-7 #0021

1шт.

11

81FH-47110

BLOCK-5 WAY

25B-7 #0128

1шт.

11

81FH-47111

BLOCK-5 WAY

25B-7 #0129

1шт.

11

81FH-47110

BLOCK-5 WAY

30B-7 #0056

1шт.

12

S015-080456

BOLT-HEX

1шт.

11

81FH-47111

BLOCK-5 WAY

30B-7 #0057

1шт.

11

81FH-47110

BLOCK-5 WAY

32B-7 #0033

1шт.

11

81FH-47111

BLOCK-5 WAY

32B-7 #0034

1шт.

12

S015-080456

BOLT-HEX

1шт.

13

S411-080006

WASHER-SPRING

1шт.

14

81FH-47120

SWITCH-PRESSURE

2шт.

15

81FH-47021

BRAKE PIPE ASSY-CENTER

#0052

1шт.

15

81FH-47022

BRAKE PIPE ASSY-CENTER

22B #0053

1шт.

15

81FH-47021

BRAKE PIPE ASSY-CENTER

#0392

1шт.

15

81FH-47022

BRAKE PIPE ASSY-CENTER

25B #0393

1шт.

15

81FH-47021

BRAKE PIPE ASSY-CENTER

#0161

1шт.

15

81FH-47022

BRAKE PIPE ASSY-CENTER

30B #0162

1шт.

15

81FH-47021

BRAKE PIPE ASSY-CENTER

#0089

1шт.

15

81FH-47022

BRAKE PIPE ASSY-CENTER

32B #0090

1шт.

16

81FH-47130

BRAKE PIPE ASSY-LH

1шт.

17

81FH-47140

BRAKE PIPE ASSY-RH

1шт.

18

81FH-40050

PARKING LEVER ASSY

1шт.

19

S035-082026

BOLT-W/WASHER

8шт.

20

81FH-47220

CABLE-PARKING

1шт.

21

S491-080202

PIN-CLEVIS

4шт.

22

S403-08100B

WASHER-PLAIN

#0052

5шт.

22

S403-08200B

WASHER-PLAIN

22B #0053

5шт.

22

S403-08100B

WASHER-PLAIN

#0392

5шт.

22

S403-08200B

WASHER-PLAIN

25B #0393

5шт.

22

S403-08100B

WASHER-PLAIN

#0161

5шт.

22

S403-08200B

WASHER-PLAIN

30B #0162

5шт.

22

S403-08100B

WASHER-PLAIN

#0089

5шт.

22

S403-08200B

WASHER-PLAIN

32B #0090

5шт.

23

S461-200152

PIN-SPLIT

5шт.

24

S543-100002

CLAMP-TUBE

1шт.

25

81FH-47231

LEVER ASSY

1шт.

25-1

81HD-40311

SHAFT WA

1шт.

25-2

81FH-47251

PLATE WA

1шт.

25-3

S731-020010

BUSHING-DU

2шт.

25-4

S403-201006

WASHER-PLAIN

2шт.

25-5

S601-020004

RING-RETAINING

1шт.

26

81HD-40110

ROD ASSY

1шт.

26-1

81FH-40080

CONNECTOR

1шт.

26-2

81HD-40120

ROD

1шт.

26-3

S491-100252

PIN-CLEVIS

1шт.

26-4

S403-10100B

WASHER-PLAIN

1шт.

26-5

S461-320202

PIN-SPLIT

1шт.

27

S491-080252

PIN-CLEVIS

1шт.

28

81FH-47240

CABLE-PARKING

2шт.

29

B51100621

BRACKET

1шт.

30

S015-040256

BOLT-HEX

2шт.

31

S403-04100B

WASHER-PLAIN

2шт.

32

81FH-47260

BRACKET-CABLE(LH)

22/25/30B

1шт.

32

81FH-47260

BRACKET-CABLE(LH)

32B #0004

1шт.

33

81FH-47270

BRACKET-CABLE(RH)

22/25/30B

1шт.

33

81FH-47270

BRACKET-CABLE(RH)

32B #0004

1шт.

Выбрано товаров: 62