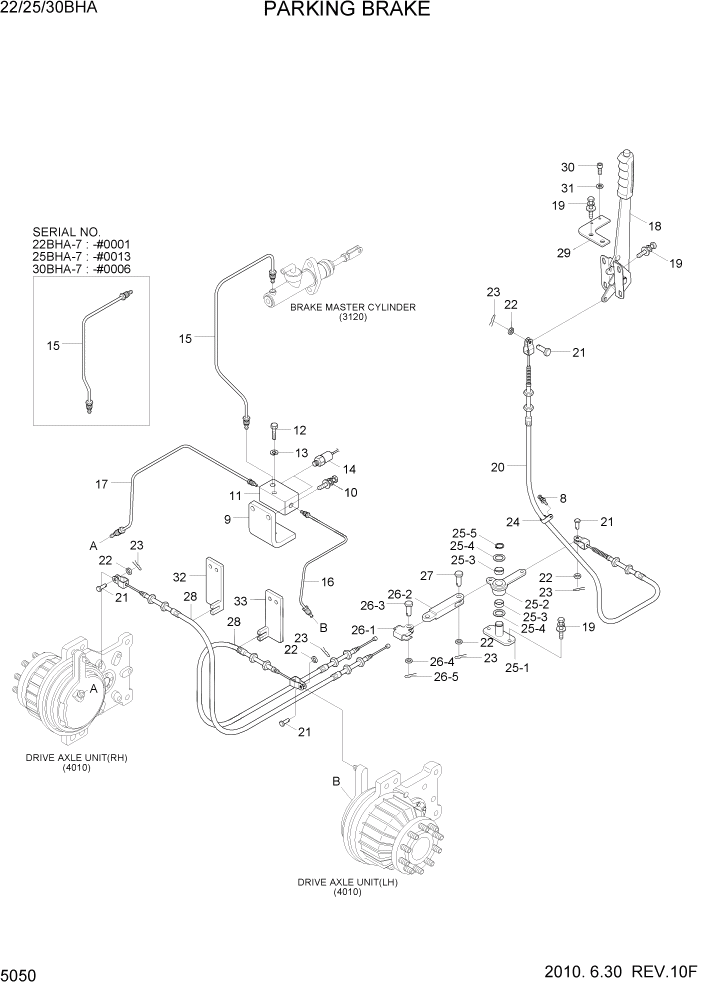
Запчасти Hyundai 22/25/30BHA-7 PAGE 5050 PARKING BRAKE РУЛЕВОЕ & СИСТЕМА УПРАВЛЕНИЯ

Схема запчастей Hyundai 22/25/30BHA-7 - PAGE 5050 PARKING BRAKE РУЛЕВОЕ & СИСТЕМА УПРАВЛЕНИЯ
FIT
1:1
100%

Артикул

Название

Примечание

Количество

8

S035-081526

BOLT-W/WASHER

1шт.

9

81FH-47210

BRACKET-BLOCK

1шт.

10

S035-082526

BOLT-W/WASHER

6шт.

11

81FH-47111

BLOCK-5 WAY

1шт.

12

S015-080456

BOLT-HEX

1шт.

13

S411-080006

WASHER-SPRING

1шт.

14

81FH-47120

SWITCH-PRESSURE

2шт.

15

81FH-47564

BRAKE PIPE ASSY-CENTER

22BHA-7

1шт.

15

81FH-47563

BRAKE PIPE ASSY-CENTER

#0013

1шт.

15

81FH-47564

BRAKE PIPE ASSY-CENTER

25BHA-7 #0014

1шт.

15

81FH-47563

BRAKE PIPE ASSY-CENTER

#0006

1шт.

15

81FH-47564

BRAKE PIPE ASSY-CENTER

30BHA-7 #0007

1шт.

16

81FH-47130

BRAKE PIPE ASSY-LH

1шт.

17

81FH-47140

BRAKE PIPE ASSY-RH

1шт.

18

81FH-40050

PARKING LEVER ASSY

1шт.

19

S035-082026

BOLT-W/WASHER

8шт.

20

81FH-47220

CABLE-PARKING

1шт.

21

S491-080202

PIN-CLEVIS

4шт.

22

S403-08200B

WASHER-PLAIN

22BHA-7

5шт.

22

S403-08100B

WASHER-PLAIN

#0013

5шт.

22

S403-08200B

WASHER-PLAIN

25BHA-7 #0014

5шт.

22

S403-08100B

WASHER-PLAIN

#0006

5шт.

22

S403-08200B

WASHER-PLAIN

30BHA-7 #0007

5шт.

23

S461-200152

PIN-SPLIT

5шт.

24

S543-100002

CLAMP-TUBE

1шт.

25

81FH-47231

LEVER ASSY

1шт.

25-1

81HD-40311

SHAFT WA

1шт.

25-2

81FH-47251

PLATE WA

1шт.

25-3

S731-020010

BUSHING-DU

2шт.

25-4

S403-201006

WASHER-PLAIN

2шт.

25-5

S601-020004

RING-RETAINING

1шт.

26

81HD-40110

ROD ASSY

1шт.

26-1

81FH-40080

CONNECTOR

1шт.

26-2

81HD-40120

ROD

1шт.

26-3

S491-100252

PIN-CLEVIS

1шт.

26-4

S403-10100B

WASHER-PLAIN

1шт.

26-5

S461-320202

PIN-SPLIT

1шт.

27

S491-080252

PIN-CLEVIS

1шт.

28

81FH-47240

CABLE-PARKING

2шт.

29

B51100621

BRACKET

1шт.

30

S015-040256

BOLT-HEX

2шт.

31

S403-04100B

WASHER-PLAIN

2шт.

32

81FH-47260

BRACKET-CABLE(LH)

1шт.

33

81FH-47270

BRACKET-CABLE(RH)

1шт.

Выбрано товаров: 44