Запчасти Hyundai HBF15/HBF18T-5 PAGE 2010 3-SPOOL CONTROL VALVE LEVER(OPTION) ГИДРАВЛИЧЕСКАЯ СИСТЕМА

Схема запчастей Hyundai HBF15/HBF18T-5 - PAGE 2010 3-SPOOL CONTROL VALVE LEVER(OPTION) ГИДРАВЛИЧЕСКАЯ СИСТЕМА
FIT
1:1
100%

Артикул

Название

Примечание

Количество

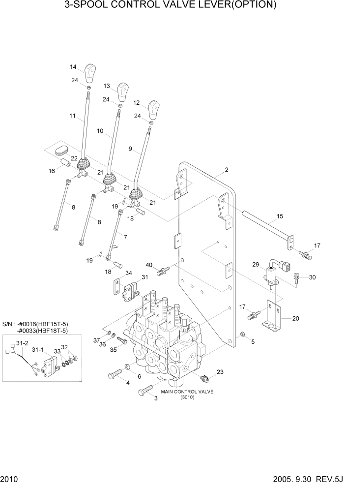
2

B51600033

BRACKET-MCV

HBF15T-5 #0034

1шт.

2

B51600034

BRACKET-CONTROL VALVE

HBF15T-5 #0035

1шт.

2

B51600033

BRACKET-MCV

HBF18T-5 #0076

1шт.

2

B51600034

BRACKET-CONTROL VALVE

HBF18T-5 #0077

1шт.

3

S035-083526

BOLT-W/WASHER

HBF15T-5 #0034

1шт.

3

S035-083522

BOLT-W/WASHER

HBF15T-5 #0035

1шт.

3

S035-083526

BOLT-W/WASHER

HBF18T-5 #0076

1шт.

3

S035-083522

BOLT-W/WASHER

HBF18T-5 #0077

1шт.

4

S015-080206

BOLT-HEX

HBF15T-5 #0034

2шт.

4

S015-080202

BOLT-HEX

HBF15T-5 #0035

2шт.

4

S015-080206

BOLT-HEX

HBF18T-5 #0076

2шт.

4

S015-080202

BOLT-HEX

HBF18T-5 #0077

2шт.

5

S205-081006

NUT-HEX

HBF15T-5 #0034

1шт.

5

S205-081002

NUT-HEX

HBF15T-5 #0035

1шт.

5

S205-081006

NUT-HEX

HBF18T-5 #0076

1шт.

5

S205-081002

NUT-HEX

HBF18T-5 #0077

1шт.

6

S411-080006

WASHER-SPRING

HBF15T-5 #0034

2шт.

6

S411-080002

WASHER-SPRING

HBF15T-5 #0035

2шт.

6

S411-080006

WASHER-SPRING

HBF18T-5 #0076

2шт.

6

S411-080002

WASHER-SPRING

HBF18T-5 #0077

2шт.

7

B51600040

ROD

1шт.

8

B51600050

ROD

2шт.

9

31FY-40010

LEVER-LIFT

1шт.

10

31FY-40020

LEVER-TILT

1шт.

11

31FY-40030

LEVER-ATTACH1

1шт.

12

31FG-40500

KNOB-LIFT

1шт.

13

31FG-40510

KNOB-TILT

1шт.

14

31FG-40520

KNOB-ATTACH

1шт.

15

B51330030

SHAFT

1шт.

16

B51600110

SPACER

1шт.

17

S035-061526

BOLT-W/WASHER

HBF15T-5 #0034

3шт.

17

S035-061522

BOLT-W/WASHER

HBF15T-5 #0035

3шт.

17

S035-061526

BOLT-W/WASHER

HBF18T-5 #0076

3шт.

17

S035-061522

BOLT-W/WASHER

HBF18T-5 #0077

3шт.

18

S491-060222

PIN-CLEVIS

6шт.

19

S501-060002

PIN-SELF LOCKING

6шт.

20

31FH-40070

BRACKET-LIFT SENSOR

1шт.

21

B51110120

BELLOWS

3шт.

22

B51110130

BLANK-C/LEVER

1шт.

23

31EK-11130

COUPLING-SCREW

1шт.

24

S205-101006

NUT-HEX

HBF15T-5 #0034

3шт.

24

S205-101002

NUT-HEX

HBF15T-5 #0035

3шт.

24

S205-101006

NUT-HEX

HBF18T-5 #0076

3шт.

24

S205-101002

NUT-HEX

HBF18T-5 #0077

3шт.

29

B51830060

SENSOR-LIFT

1шт.

30

S131-051546

SCREW-W/WASHER

2шт.

31

21FH-72081

SWITCH ASSY-3 SPOOL

HBF15T-5 #0016

1шт.

31

21FH-82100

SWITCH ASSY-3 SPOOL

HBF15T-5 #0017

1шт.

31

21FH-72081

SWITCH ASSY-3 SPOOL

HBF18T-5 #0033

1шт.

31

21FH-82100

SWITCH ASSY-3 SPOOL

HBF18T-5 #0034

1шт.

31-1

310006360

SWITCH-MICRO

HBF15T-5 #0016

3шт.

31-1

310006360

SWITCH-MICRO

HBF15T-5 #0033

3шт.

31-2

21FH-75062

HARNESS-3 SPOOL

HBF18T-5 #0016

1шт.

31-2

21FH-75062

HARNESS-3 SPOOL

HBF18T-5 #0033

1шт.

32

6600067800

NUT-HEX

HBF15T-5 #0016

6шт.

32

6600067800

NUT-HEX

HBF18T-5 #0033

6шт.

33

S431-140002

WASHER-LOCK

HBF15T-5 #0016

6шт.

33

S431-140002

WASHER-LOCK

HBF18T-5 #0033

6шт.

34

B52110070

BRACKET-MICRO SWITCH

HBF15T-5 #0017

3шт.

34

B52110070

BRACKET-MICRO SWITCH

HBF18T-5 #0034

3шт.

35

S015-040306

BOLT-HEX

HBF15T-5 #0017 - #0034

6шт.

35

S015-040302

BOLT-HEX

HBF15T-5 #0035

6шт.

35

S015-040306

BOLT-HEX

HBF18T-5 #0034 - #0076

6шт.

35

S015-040302

BOLT-HEX

HBF18T-5 #0077

6шт.

36

S411-040006

WASHER-SPRING

HBF15T-5 #0017 - #0034

6шт.

36

S411-040002

WASHER-SPRING

HBF15T-5 #0035

6шт.

36

S411-040006

WASHER-SPRING

HBF18T-5 #0034 - #0076

6шт.

36

S411-040002

WASHER-SPRING

HBF18T-5 #0077

6шт.

37

S403-041006

WASHER-PLAIN

HBF15T-5 #0017 - #0034

6шт.

37

S403-041002

WASHER PLAIN

HBF15T-5 #0035

6шт.

37

S403-041006

WASHER-PLAIN

HBF18T-5 #0034 - #0076

6шт.

37

S403-041002

WASHER PLAIN

HBF18T-5 #0077

6шт.

40

S035-082526

BOLT-W/WASHER

HBF15T-5 #0034

2шт.

40

S035-082522

BOLT-W/WASHER

HBF15T-5 #0035

2шт.

40

S035-082526

BOLT-W/WASHER

HBF18T-5 #0076

2шт.

40

S035-082522

BOLT-W/WASHER

HBF18T-5 #0077

2шт.

Выбрано товаров: 76