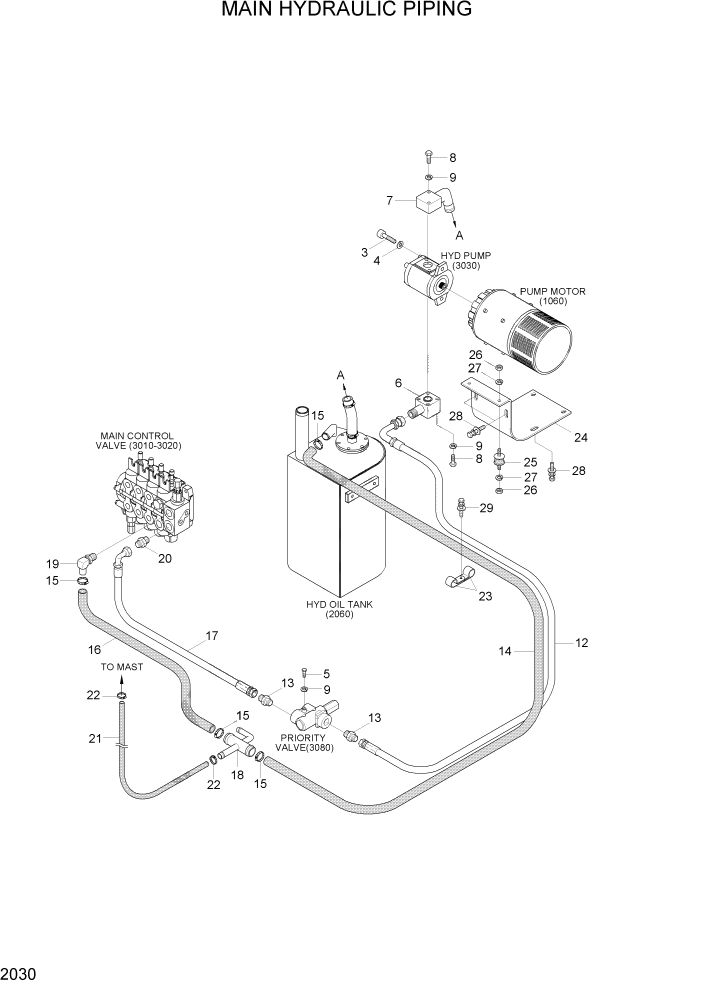
Запчасти Hyundai HBF15/HBF18T-5 PAGE 2030 MAIN HYDRAULIC PIPING ГИДРАВЛИЧЕСКАЯ СИСТЕМА

Схема запчастей Hyundai HBF15/HBF18T-5 - PAGE 2030 MAIN HYDRAULIC PIPING ГИДРАВЛИЧЕСКАЯ СИСТЕМА
FIT
1:1
100%

Артикул

Название

Примечание

Количество

3

S109-100306

BOLT-SOCKET

2шт.

4

S411-100006

WASHER-SPRING

2шт.

5

S015-080556

BOLT-HEX

1шт.

6

31FY-20020

FLANGE ASSY

1шт.

7

31FY-20030

FLANGE ASSY-INLET

1шт.

8

S015-080506

BOLT-HEX

6шт.

9

S411-080006

WASHER-SPRING

7шт.

12

P930-085044

HOSE ASSY-ORFS 0X90

1шт.

13

31FG-20110

CONNECTOR

2шт.

14

P760-033260

HOSE-RUBBER LOW

1шт.

15

S520-032000

CLAMP-HOSE

4шт.

16

P760-033040

HOSE-RUBBER

1шт.

17

P930-085009

HOSE ASSY-ORFS 0X90

1шт.

18

31FY-20010

TEE-PIPE

1шт.

19

B51610010

ELBOW-90

1шт.

20

X500-110003

CONNECTOR-ORFS

1шт.

21

31FA-10420

HOSE-RUBBER

1шт.

22

S520-027000

CLAMP-HOSE

2шт.

23

S543-300002

CLAMP-TUBE

2шт.

24

31FY-20040

BRACKET-HYD MOTOR

1шт.

25

1191000300

CUSHION

4шт.

26

S203-081006

NUT-HEX

8шт.

27

S411-080006

WASHER-SPRING

8шт.

28

S037-102026

BOLT-W/WASHER

4шт.

29

S035-081526

BOLT-W/WASHER

1шт.

Выбрано товаров: 25