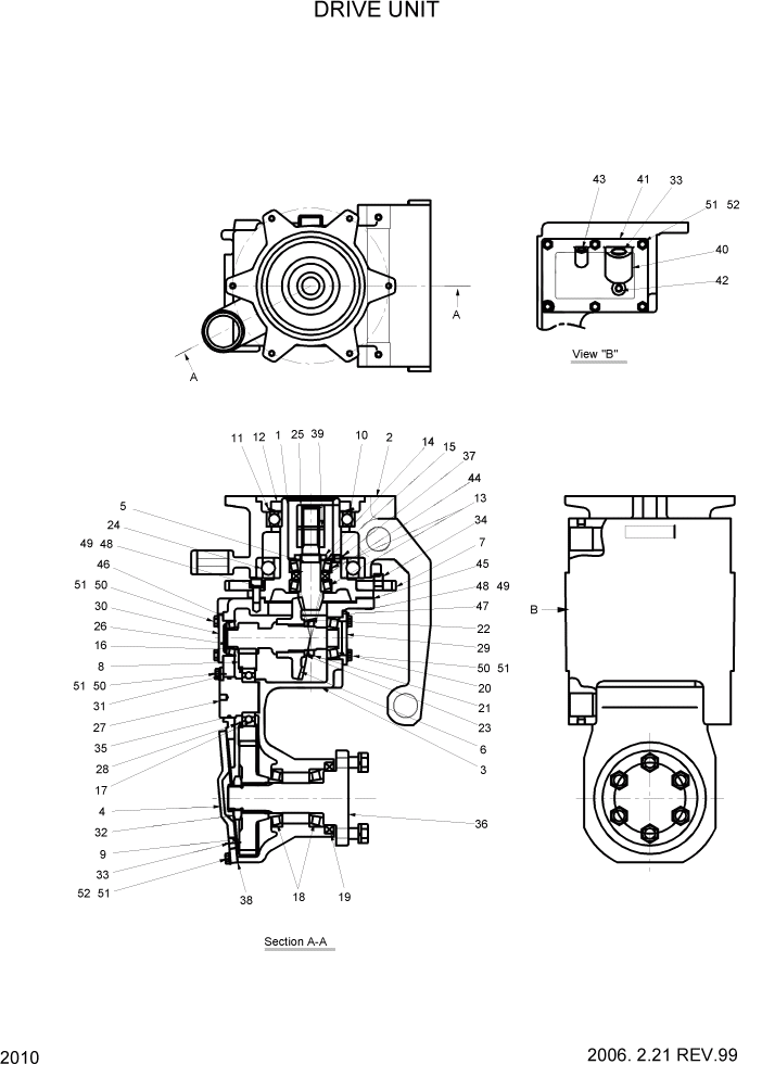
Запчасти Hyundai HBP15 PAGE 2010 DRIVE UNIT СИЛОВАЯ СИСТЕМА

Схема запчастей Hyundai HBP15 - PAGE 2010 DRIVE UNIT СИЛОВАЯ СИСТЕМА
FIT
1:1
100%

Артикул

Название

Примечание

Количество

*

3006038610

DRIVE UNIT ASSY

1

3331052800

COVER-GEAR CASE

1шт.

2

3542025800

SUSPENSION-DR/UNIT

1шт.

3

3331051900

CASE-D/GEAR BOX

1шт.

4

3332024200

COVER-DR/UNIT

1шт.

*

3314012000-K

BEVEL GEAR SET

#0001

1шт.

N5

3314011900

PINION-SPIRAL

NOT

1шт.

6

3314012000

BEVEL GEAR-SPIRAL

1шт.

7

4141010300

STEERING GEAR

1шт.

8

3311036500

GEAR-IDLE

1шт.

9

3311036600

GEAR

1шт.

10

9021051017

BEARING-DR/UNIT

1шт.

11

9023017017

WASHER

1шт.

12

9023015017

NUT-BEARING

1шт.

13

9022101206

BEARING-TAPER ROLLER

2шт.

14

9023015006

NUT-LOCK BRG

1шт.

15

9023017006

WASHER-LOCK BRG

1шт.

16

9022101205

BEARING-DR/UNIT

1шт.

17

9021001209

BEARING-DR/UNIT

1шт.

18

9022102209

BEARING-DR/UNIT

2шт.

19

1322006200

SEAL

1шт.

20

9022101305

BEARING-TAPER ROLLER

1шт.

21

9023015007

NUT-BEARING

1шт.

22

9023017007

WASHER

1шт.

23

3329001500

SPACER-GEAR

1шт.

24

9021051218

BEARING-DR/UNIT

1шт.

25

3329015100-01

SLEEVE

1шт.

26

3311036400

SHAFT-PINION

1шт.

27

3352004500

SHAFT-ID/GEAR

1шт.

28

2R1108500

RING-SNAP

1шт.

29

3332032400

COVER-DR/UNIT

1шт.

30

3332032500

COVER-DR/UNIT

1шт.

31

1228006400

PLATE-LOCK

1шт.

32

3329019800

NUT-DR/SHAFT

1шт.

33

9038431004

PLUG-TAPER

2шт.

34

245313032

PIN-SPRING

2шт.

35

9027011007

O-RING

1шт.

36

3531020300

SHAFT-D/WHEEL

1шт.

37

9038431902

PLUG-TAPER

1шт.

38

1332005200

GASKET-DR/UNIT

1шт.

39

245304040

PIN-SPRING

1шт.

40

2333003000

CASE

1шт.

41

1332005100

GASKET-DR/UNIT

1шт.

42

9038431001

PLUG-TAPER

1шт.

43

3341011500

AIR BREATHER

1шт.

44

1322009200

SEAL-OIL

1шт.

45

3329022000

SHIM(0.1T)

1шт.

45

3329022100

SHIM(0.2T)

1шт.

45

3329022200

SHIM(0.3T)

1шт.

45

3329022300

SHIM(0.5T)

1шт.

46

3329024400

SHIM(0.1T)

1шт.

46

3329027600

SHIM(0.15T)

1шт.

46

3329024500

SHIM(0.2T)

1шт.

46

3329024600

SHIM(0.3T)

1шт.

46

3329024700

SHIM(0.5T)

1шт.

47

3329024000

SHIM(0.1T)

1шт.

47

3329077000

SHIM(0.15T)

1шт.

47

3329024100

SHIM(0.2T)

1шт.

47

3329024200

SHIM(0.3T)

1шт.

47

3329024300

SHIM(0.5T)

1шт.

48

203510025

BOLT-SOCKET

10шт.

49

233308000

WASHER-SPRING

10шт.

50

201508025

BOLT-HEX

10шт.

51

233308000

WASHER-SPRING

26шт.

52

201508020

BOLT-HEX

16шт.

Выбрано товаров: 65