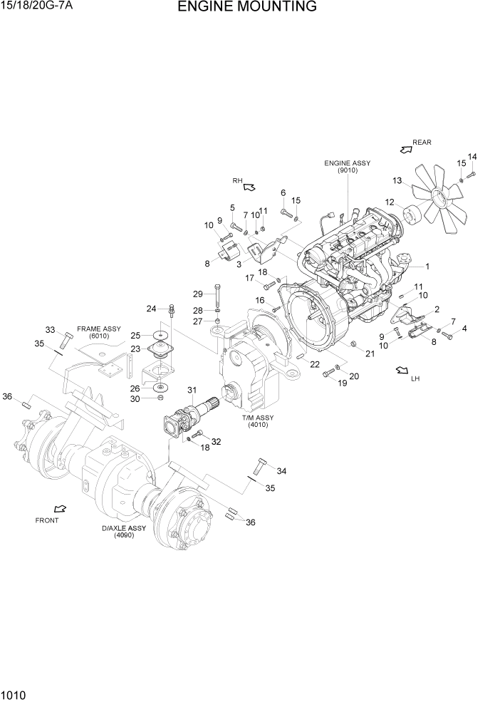
Запчасти Hyundai 15/18/20G-7A PAGE 1010 ENGINE MOUNTING СИСТЕМА ДВИГАТЕЛЯ

Схема запчастей Hyundai 15/18/20G-7A - PAGE 1010 ENGINE MOUNTING СИСТЕМА ДВИГАТЕЛЯ
FIT
1:1
100%

Артикул

Название

Примечание

Количество

1

11HF-60020

ENGINE ASSY

SEE 9010

1шт.

2

11HF-60041

BRACKET-LH

1шт.

3

11HF-60052

BRACKET-RH

1шт.

4

S018-100256

BOLT-HEX

3шт.

5

S018-100356

BOLT-HEX

2шт.

6

S015-080306

BOLT-HEX

1шт.

7

S441-10000B

WASHER-HARDENED

5шт.

8

11HM-60040

MOUNT-ENGINE

2шт.

9

S017-120256

BOLT-HEX

4шт.

10

S441-12000B

WASHER-HARDENED

8шт.

11

S206-12100B

NUT-HEX

4шт.

12

11HF-30161

SPACE-FAN

1шт.

13

F12200112

FAN-COOLING

1шт.

14

S015-080506

BOLT-HEX

4шт.

15

S441-08000B

WASHER-HARDENED

5шт.

16

S035-082026

BOLT-W/WASHER

8шт.

17

S018-100306

BOLT-HEX

2шт.

18

S441-10000B

WASHER-HARDENED

6шт.

19

S018-100406

BOLT-HEX

6шт.

20

S411-100006

WASHER-SPRING

6шт.

21

S206-10100B

NUT-HEX

6шт.

22

S510-122800

PIN-DOWEL

2шт.

23

11FG-60060

RUBBER-MOUNTING

2шт.

24

S035-082526

BOLT-W/WASHER

8шт.

25

FDE0100120-DA

WASHER-REBOUND

2шт.

26

FDE0100110-DA

WASHER-OVERLOAD

2шт.

27

F31330010

SHIM(1.0T)

2шт.

28

85HF-30020

WASHER-MOUNT

2шт.

29

S017-161356

BOLT-HEX

2шт.

30

S275-16000B

NUT-SELF LOCKING

2шт.

31

81HF-30032

DRIVE SHAFT ASSY

1шт.

32

85HH-30100

BOLT-SOCKET

4шт.

33

11HA-60200

BOLT-REAMER

2шт.

34

S018-201056

BOLT-HEX

2шт.

35

S441-200006

WASHER-HARDENED

8шт.

36

S206-20100B

NUT-HEX

6шт.

Выбрано товаров: 36