Запчасти Hyundai 15/18/20G-7A PAGE 1030 EXHAUST SYSTEM СИСТЕМА ДВИГАТЕЛЯ

Схема запчастей Hyundai 15/18/20G-7A - PAGE 1030 EXHAUST SYSTEM СИСТЕМА ДВИГАТЕЛЯ
FIT
1:1
100%

Артикул

Название

Примечание

Количество

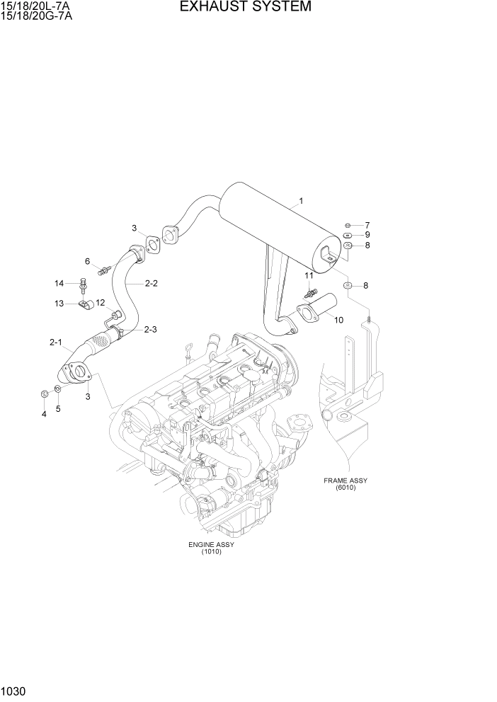
1

11HF-40021

MUFFLER WA

GENERAL

1шт.

1

11HF-40010

MUFFLER WA

CATALYST

1шт.

2

11HF-40032

EXHAUST PIPE ASSY

1шт.

2-1

11HF-40042

PIPE-EXHAUST

1шт.

2-2

11HF-40050

INSULATOR

1шт.

2-3

S520-050000

CLAMP-HOSE

2шт.

3

11HF-40060

GASKET

2шт.

4

S206-10100B

NUT-HEX

2шт.

5

S411-100006

WASHER-SPRING

2шт.

6

S037-103526

BOLT-W/WASHER

2шт.

7

S275-10000B

NUT-SELF LOCKING

2шт.

8

FAC0100140

RUBBER

4шт.

9

FAC0100150-DA

WASHER

2шт.

10

11HC-40011

TAIL PIPE WA

15G-7A

1шт.

10

11HC-40020

TAIL PIPE WA

18G-7A

1шт.

10

11HC-40030

TAIL PIPE WA

20G-7A

1шт.

11

S035-083026

BOLT-W/WASHER

2шт.

12

11HA-40120

GROMMET

1шт.

13

11HA-40130

CLAMP

1шт.

14

S037-101526

BOLT-W/WASHER

1шт.

Выбрано товаров: 20