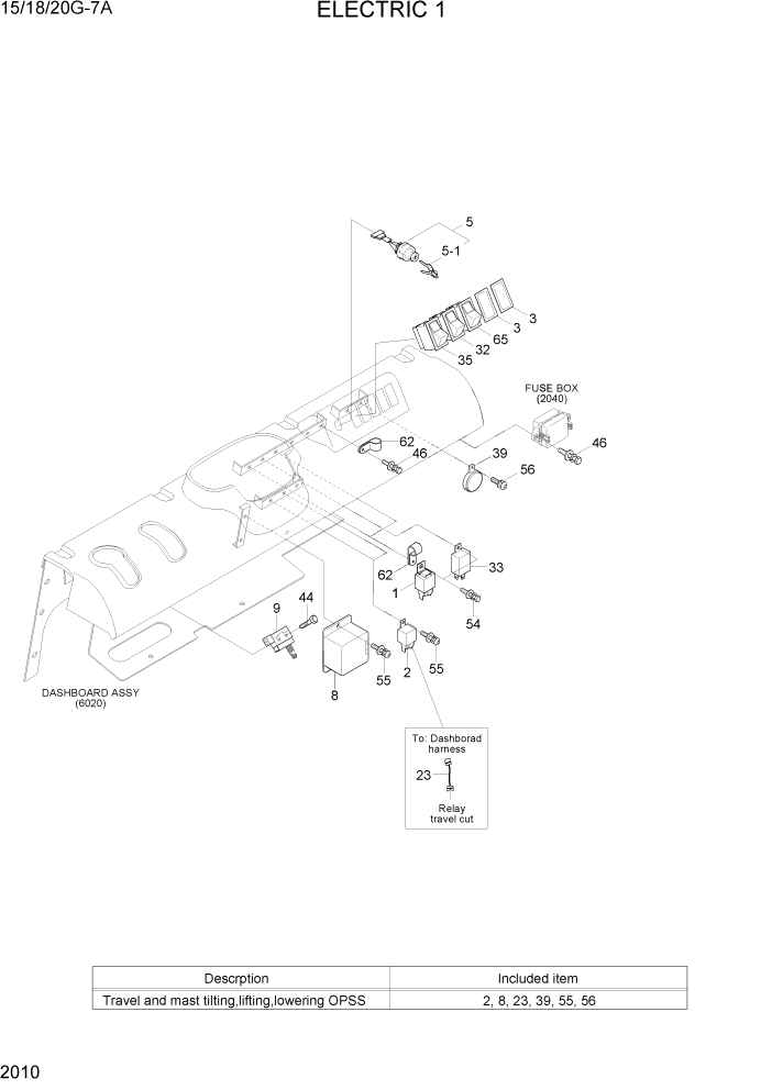
Запчасти Hyundai 15/18/20G-7A PAGE 2010 ELECTRIC 1 ЭЛЕКТРИЧЕСКАЯ СИСТЕМА

Схема запчастей Hyundai 15/18/20G-7A - PAGE 2010 ELECTRIC 1 ЭЛЕКТРИЧЕСКАЯ СИСТЕМА
FIT
1:1
100%

Артикул

Название

Примечание

Количество

1

21E3-0011

RELAY

2шт.

2

21E3-0025

RELAY

2шт.

3

21E6-10460

COVER

2шт.

5

21FJ-10051

SWITCH-START

1шт.

5-1

21FJ-10151

KEY ASSY

2шт.

8

21FU-10614

OPSS UNIT

1шт.

9

21FV-10250

PARKING SWITCH ASSY

1шт.

23

21HF-40070

EXT-TRAVEL RELAY

1шт.

32

21M5-25000

SWITCH-HAZARD

1шт.

33

21M6-40052

FLASHER UNIT ASSY

1шт.

35

21M8-01120

SWITCH-W/LAMP(12V)

1шт.

39

320008040

BUZZER-24V,INTERMITTENT

1шт.

44

S015-040256

BOLT-HEX

2шт.

46

S035-061526

BOLT-W/WASHER

3шт.

54

S131-051546

SCREW-W/WASHER

2шт.

55

S131-051546

SCREW-W/WASHER

4шт.

56

S131-052546

SCREW-W/WASHER

1шт.

62

S543-200002

CLAMP-TUBE

2шт.

65

21HC-15150

SWITCH-SPEED CONTROL

1шт.

Выбрано товаров: 19