Запчасти Hyundai 15L/18L/20LA PAGE 9080 CYLINDER HEAD ДВИГАТЕЛЬ БАЗА

Схема запчастей Hyundai 15L/18L/20LA - PAGE 9080 CYLINDER HEAD ДВИГАТЕЛЬ БАЗА
FIT
1:1
100%

Артикул

Название

Примечание

Количество

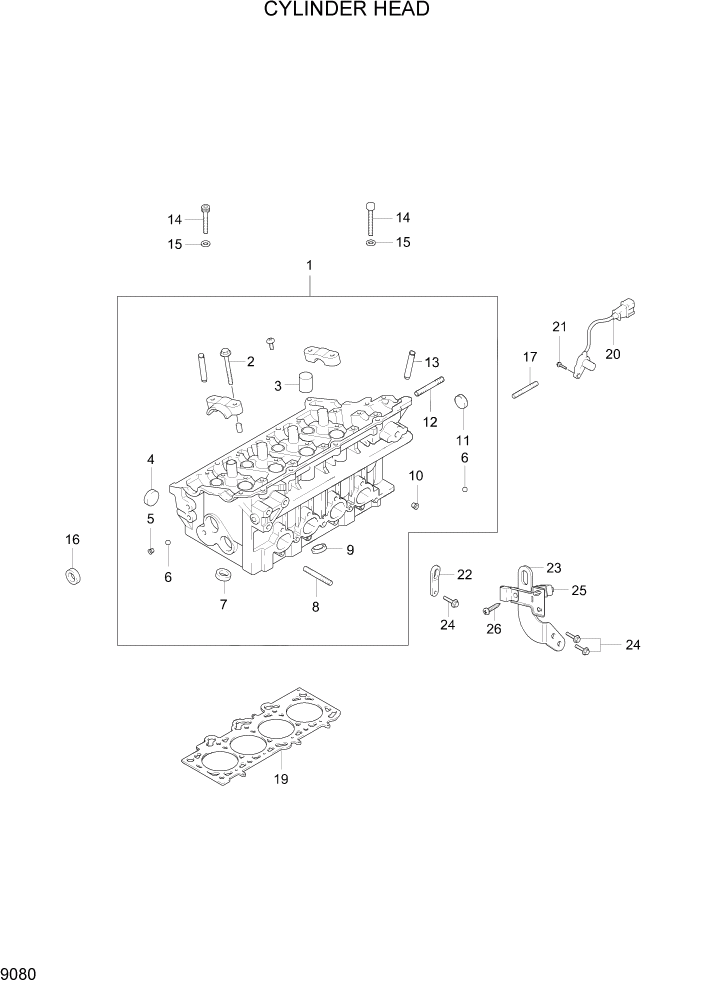
1

22100-23C00

CYL HEAD ASSY

1шт.

2

22126-23001

BOLT-W/WASHER

22шт.

3

22135-23

PIPE-SPARK PLUG HOLE

4шт.

4

15717-21153

PLUG-TAPER

3шт.

5

15733-3

CAP-SEALING

2шт.

6

16011-12

BALL-STEEL

5шт.

7

22113-234

SEALT-EXHAUST VALVE

8шт.

8

22125-23001

STUD

9шт.

9

22112-234

SEAT-INLET VALVE

8шт.

10

22131-23

PLUG-TAPER(1/16)

6шт.

11

15733-25

CAP-SEALING

1шт.

12

11513-08286K

STUD

9шт.

13

22115-23

GUIDE-EXHAUST VALVE

8шт.

14

22321-23

BOLT-CYLINDER HEAD

8шт.

15

22322-23

WASHER-CYL HEAD BOLT

8шт.

16

22144-3B001

OIL SEAL-CAMSHAFT

1шт.

17

11513-08506K

STUD

1шт.

19

22311-23

GASKET-CYLINDER HEAD

1шт.

20

39350-235

SENSOR-T.D.C

1шт.

21

11403-06146K

BOLT-FLANGE

1шт.

22

22341-23

HANGER-ENGINE,FR

1шт.

23

22340-23C00

HAGER ASSY-ENG,RR

1шт.

24

11403-08166K

BOLT-FLANGE

3шт.

25

27360-23C00

CONDENSER ASSY

1шт.

26

12310-05101

STUD

1шт.

Выбрано товаров: 25