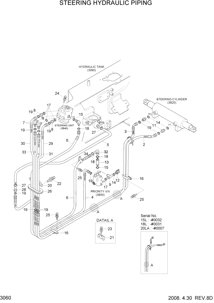
Запчасти Hyundai 15L/18L/20LA PAGE 3060 STEERING HYDRAULIC PIPING ГИДРАВЛИЧЕСКАЯ СИСТЕМА

Схема запчастей Hyundai 15L/18L/20LA - PAGE 3060 STEERING HYDRAULIC PIPING ГИДРАВЛИЧЕСКАЯ СИСТЕМА
FIT
1:1
100%

Артикул

Название

Примечание

Количество

2

31HC-10012

HOSE ASSY(0X45)-ORFS

1шт.

3

31HC-10022

HOSE ASSY(0X45)-ORFS

1шт.

4

P910-065031

HOSE ASSY-ORFS 0X0

15L #0001

1шт.

4

31HA-10241

HOSE ASSY-ORFS 0X90D

15L #0032

1шт.

4

P930-064019

HOSE ASSY-ORFS 0X90

15L #0033

1шт.

4

31HA-10241

HOSE ASSY-ORFS 0X90D

18L #0031

1шт.

4

P930-064019

HOSE ASSY-ORFS 0X90

18L #0032

1шт.

4

P910-065031

HOSE ASSY-ORFS 0X0

20LA #0001

1шт.

4

31HA-10241

HOSE ASSY-ORFS 0X90D

20LA #0007

1шт.

4

P930-064019

HOSE ASSY-ORFS 0X90

20LA #0008

1шт.

5

P760-013085

HOSE-RUBBER

#0063

1шт.

5

P760-013090

HOSE-RUBBER

#0064

1шт.

5

P760-013085

HOSE-RUBBER

#0068

1шт.

5

P760-013090

HOSE-RUBBER

#0069

1шт.

5

P760-013085

HOSE-RUBBER

#0010

1шт.

5

P760-013090

HOSE-RUBBER

#0011

1шт.

6

P923-044031

HOSE ASSY-ORFS 0X45

15L #0001

1шт.

6

31HA-10211

HOSE ASSY-ORFS 0X45

15L #0001

1шт.

6

31HA-10211

HOSE ASSY-ORFS 0X45

18L #0001

1шт.

6

P923-044031

HOSE ASSY-ORFS 0X45

20LA #0001

1шт.

6

31HA-10211

HOSE ASSY-ORFS 0X45

20LA #0001

1шт.

7

31HA-10060

ELBOW-90

2шт.

8

31HA-10100

CONNECTOR

2шт.

9

31HF-10032

TEE-WITH GAUGE PORT

1шт.

10

31FG-10020

ELBOW-90

1шт.

11

31FN-10050

CONNECTOR-LONG

2шт.

12

31HF-20090

COUPLING-SCREW

1шт.

13

31HH-10040

CONNECTOR-ORFS

1шт.

14

S611-012001

O-RING

3шт.

15

S611-009001

O-RING

1шт.

16

31HA-10160

CLAMP-HOSE

15L #0032

1шт.

16

31HA-10160

CLAMP-HOSE

15L #0033

2шт.

16

31HA-10160

CLAMP-HOSE

18L #0031

1шт.

16

31HA-10160

CLAMP-HOSE

18L #0032

2шт.

16

31HA-10160

CLAMP-HOSE

20LA #0007

1шт.

16

31HA-10160

CLAMP-HOSE

20LA #0008

2шт.

17

S611-016001

O-RING

5шт.

18

S621-011001

O-RING

3шт.

19

S621-012001

O-RING

11шт.

20

31HA-10090

CLAMP-HOSE

1шт.

21

31HH-10020

CLAMP-HOSE

15L #0032

3шт.

21

31HH-10020

CLAMP-HOSE

15L #0033

2шт.

21

31HH-10020

CLAMP-HOSE

18L #0031

3шт.

21

31HH-10020

CLAMP-HOSE

18L #0032

2шт.

21

31HH-10020

CLAMP-HOSE

20LA #0007

3шт.

21

31HH-10020

CLAMP-HOSE

20LA #0008

2шт.

22

S035-082526

BOLT-W/WASHER

2шт.

23

S035-084026

BOLT-W/WASHER

15L #0032

3шт.

23

S035-084026

BOLT-W/WASHER

15L #0033

2шт.

23

S035-084026

BOLT-W/WASHER

18L #0031

3шт.

23

S035-084026

BOLT-W/WASHER

18L #0032

2шт.

23

S035-084026

BOLT-W/WASHER

20LA #0007

3шт.

23

S035-084026

BOLT-W/WASHER

20LA #0008

2шт.

24

S037-102516

BOLT-W/WASHER

4шт.

25

S035-081526

BOLT-W/WASHER

15L #0023

1шт.

25

S035-082036

BOLT-W/WASHER

15L #0024 - #0063

2шт.

25

S035-082036

BOLT-W/WASHER

#0064

3шт.

25

S035-081526

BOLT-W/WASHER

18L #0013

1шт.

25

S035-082036

BOLT-W/WASHER

18L #0014 - #0068

2шт.

25

S035-082036

BOLT-W/WASHER

#0069

3шт.

25

S035-081526

BOLT-W/WASHER

20LA #0001

1шт.

25

S035-082036

BOLT-W/WASHER

20LA #0002 - #0010

2шт.

25

S035-082036

BOLT-W/WASHER

#0011

3шт.

26

S760-030622

GROMMET

1шт.

27

S572-200002

CLAMP-HOSE,WIRE TYPE

15L #0001

2шт.

27

S520-017000

CLAMP-HOSE

15L #0001

2шт.

27

S520-017000

CLAMP-HOSE

18L #0001

2шт.

27

S572-200002

CLAMP-HOSE,WIRE TYPE

20LA #0001

2шт.

27

S520-017000

CLAMP-HOSE

20LA #0001

2шт.

28

31HA-10150

CONNECTOR-BULK HOSE

2шт.

29

P930-064012

HOSE ASSY-ORFS 0X90

1шт.

30

P930-061012

HOSE ASSY-ORFS 0X90

15L #0001

1шт.

30

31HA-10230

HOSE ASSY-ORFS 0X90D

15L #0001

1шт.

30

31HA-10230

HOSE ASSY-ORFS 0X90D

18L #0001

1шт.

30

P930-061012

HOSE ASSY-ORFS 0X90

20LA #0001

1шт.

30

31HA-10230

HOSE ASSY-ORFS 0X90D

20LA #0001

1шт.

31

P910-064012

HOSE ASSY-ORFS 0X0

15L #0001

1шт.

31

P910-065013

HOSE ASSY-ORFS 0X0

15L #0001

1шт.

31

P910-065013

HOSE ASSY-ORFS 0X0

18L #0001

1шт.

31

P910-064012

HOSE ASSY-ORFS 0X0

20LA #0001

1шт.

31

P910-065013

HOSE ASSY-ORFS 0X0

20LA #0001

1шт.

32

31HG-70020

ELBOW-90/SL,ORFS

1шт.

33

P910-065014

HOSE ASSY-ORFS 0X0

15L #0032

1шт.

33

31HC-10030

HOSE ASSY-ORFS 0X0

15L #0033

1шт.

33

P910-065014

HOSE ASSY-ORFS 0X0

18L #0031

1шт.

33

31HC-10030

HOSE ASSY-ORFS 0X0

18L #0032

1шт.

33

P910-065014

HOSE ASSY-ORFS 0X0

20LA #0007

1шт.

33

31HC-10030

HOSE ASSY-ORFS 0X0

20LA #0008

1шт.

34

S543-160002

CLAMP-TUBE

#0064

1шт.

34

S543-160002

CLAMP-TUBE

#0069

1шт.

34

S543-160002

CLAMP-TUBE

#0011

1шт.

35

31HA-10271

ROD

15L #0159

1шт.

35

31HA-10271

ROD

18L #0180

1шт.

35

31HA-10271

ROD

20LA #0071

1шт.

36

S017-100356

BOLT-HEX

15L #0159

1шт.

36

S017-100356

BOLT-HEX

18L #0180

1шт.

36

S017-100356

BOLT-HEX

20LA #0071

1шт.

37

S403-10200B

WASHER-PLAIN

15L #0159

1шт.

37

S403-10200B

WASHER-PLAIN

18L #0180

1шт.

37

S403-10200B

WASHER-PLAIN

20LA #0071

1шт.

38

S411-100006

WASHER-SPRING

15L #0159

1шт.

38

S411-100006

WASHER-SPRING

18L #0180

1шт.

38

S411-100006

WASHER-SPRING

20LA #0071

1шт.

Выбрано товаров: 103