Запчасти Hyundai 15L/18L/20LA PAGE 3A10 HYDRAULIC PUMP ГИДРАВЛИЧЕСКАЯ СИСТЕМА

Схема запчастей Hyundai 15L/18L/20LA - PAGE 3A10 HYDRAULIC PUMP ГИДРАВЛИЧЕСКАЯ СИСТЕМА
FIT
1:1
100%

Артикул

Название

Примечание

Количество

*

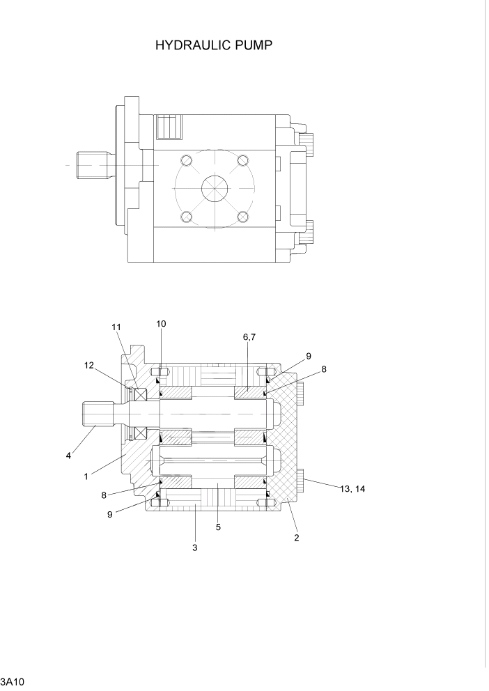
31HH-01000

HYD. PUMP

1шт.

1

XKBV-00018

FRONT COVER

1шт.

2

XKBV-00002

COVER-REAR

1шт.

3

XKBV-00019

GEAR HOUSING

1шт.

4

XKBV-00020

DRIVE SHAFT GEAR

1шт.

5

XKBV-00021

DRIVEN GEAR

1шт.

6

XKBV-00006

BLOCK-BUSHING

2шт.

7

XKBV-00007

BEARING-DRY

4шт.

K8

XKBV-00008

SEAL-CHANNEL

2шт.

K9

XKBV-00009

SEAL-SQUARE

2шт.

K10

XKBV-00010

SEAL-LIP

1шт.

11

XKBV-00011

PIN-DOWEL

1шт.

12

XKBV-00012

RING-SNAP

1шт.

13

XKBV-00022

SOCKET HEAD BOLT

4шт.

14

XKBV-00014

WASHER-SPRING

4шт.

K

XKBV-00015

SEAL KIT

1шт.

S20

PAS9P-00100

SEAL-LIP

1шт.

S21

CSA9P-00502

SEAL-CHANNEL

2шт.

S22

SQA9P-00201

SEAL-SQUARE

2шт.

S

ASKIT-59100

AS KIT

INCL 20-22

1шт.

Выбрано товаров: 0