Запчасти Hyundai 15L/18L/20LA PAGE 5080 ACCELERATOR LINKAGE СИСТЕМА УПРАВЛЕНИЯ

Схема запчастей Hyundai 15L/18L/20LA - PAGE 5080 ACCELERATOR LINKAGE СИСТЕМА УПРАВЛЕНИЯ
FIT
1:1
100%

Артикул

Название

Примечание

Количество

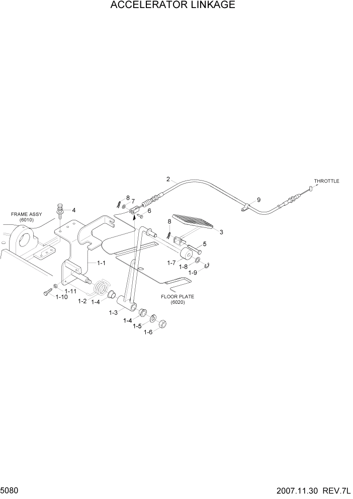
1

11HA-10011

ACCEL LINK ASSY

1шт.

1-1

11HA-10102

SUPPORT WA

1шт.

1-2

11FV-10200

SPRING-RETURN

1шт.

1-3

11HA-10110

BELL CRANK WA

1шт.

1-4

S741-151523

DU BUSINGH-FLANGE

2шт.

1-5

S411-100006

WASHER-SPRING

1шт.

1-6

S205-101006

NUT-HEX

1шт.

1-7

F11335020

ROLLER-ACCEL

1шт.

1-8

S403-10100B

WASHER-PLAIN

1шт.

1-9

P560-090002

RETAINING RING-E TYPE

1шт.

1-1

206508040-DA

BOLT-HEX

1шт.

1-11

S205-081006

NUT-HEX

1шт.

2

11HH-10011

CABLE-ACCEL

1шт.

3

11FQ-10030

PEDAL-ACCEL

1шт.

4

S037-102526

BOLT-W/WASHER

3шт.

5

11FG-10040

PIN-CLEVIS

1шт.

6

S491-060182

PIN-CLEVIS

1шт.

7

S403-06200B

WASHER-PLAIN

1шт.

8

S501-060002

PIN-SELF LOCKING

2шт.

9

S543-080002

CLAMP-TUBE

15L #0002

1шт.

9

S543-080002

CLAMP-TUBE

18L #0001

1шт.

9

S543-080002

CLAMP-TUBE

20LA #0002

1шт.

Выбрано товаров: 22