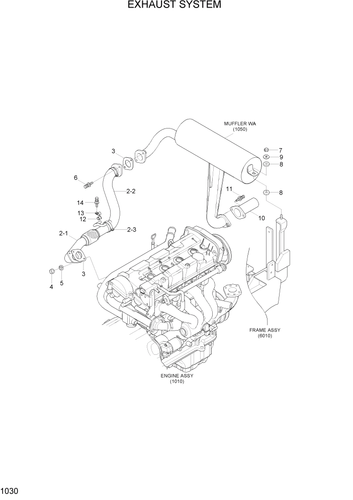
Запчасти Hyundai 15LC/18LC/20LCA-7 PAGE 1030 EXHAUST SYSTEM СИСТЕМА ДВИГАТЕЛЯ

Схема запчастей Hyundai 15LC/18LC/20LCA-7 - PAGE 1030 EXHAUST SYSTEM СИСТЕМА ДВИГАТЕЛЯ
FIT
1:1
100%

Артикул

Название

Примечание

Количество

2

11HG-40011

EXHAUST PIPE ASSY

1шт.

2-1

11HG-40021

PIPE-EXHAUST

1шт.

2-2

11HF-40050

INSULATOR

1шт.

2-3

S520-050000

CLAMP-HOSE

2шт.

3

11HF-40060

GASKET

2шт.

4

S206-10100B

NUT-HEX

2шт.

5

S411-100006

WASHER-SPRING

2шт.

6

S037-103526

BOLT-W/WASHWR

2шт.

7

S275-10000B

NUT-SELF LOCKING

2шт.

8

FAC0100140

RUBBER

4шт.

9

FAC0100150-DA

WASHER

2шт.

10

11HG-40040

TAIL PIPE W.A

1шт.

11

S035-082526

BOLT-W/WASHER

2шт.

12

11HA-40120

GROMMET

1шт.

13

11HA-40130

CLAMP

1шт.

14

S037-101526

BOLT-W/WASHER

1шт.

Выбрано товаров: 16