Запчасти Hyundai 15LC/18LC/20LCA-7 PAGE 3B40 STEERING UNIT ГИДРАВЛИЧЕСКАЯ СИСТЕМА

Схема запчастей Hyundai 15LC/18LC/20LCA-7 - PAGE 3B40 STEERING UNIT ГИДРАВЛИЧЕСКАЯ СИСТЕМА
FIT
1:1
100%

Артикул

Название

Примечание

Количество

*

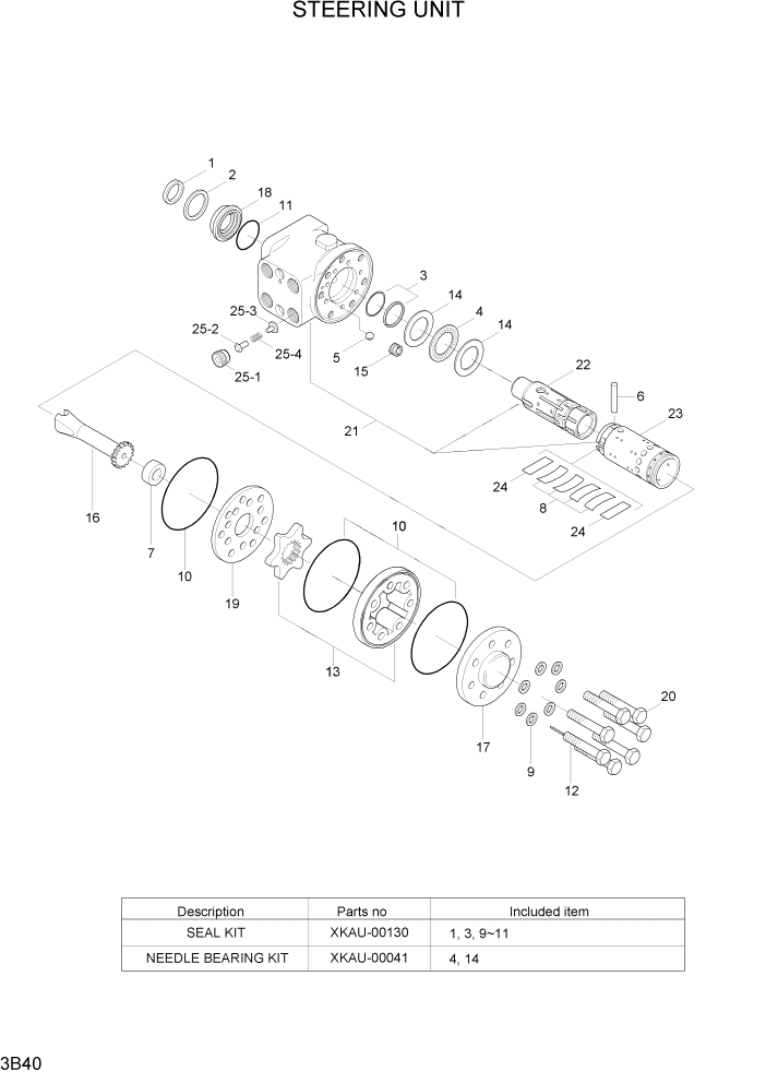
31HH-04000

STEERING UNIT

1шт.

NK1

XKAU-00075

SEAL-DUST

NOT

1шт.

2

XKAU-00042

SEAL-RETAINING

1шт.

K3

XKAU-00003

SEAL-CAP

1шт.

S4

XKAU-00004

BEARING-THRUST

1шт.

5

XKAU-00005

BALL

1шт.

6

XKAU-00006

PIN

1шт.

7

XKAU-00062

SPACER

1шт.

8

XKAU-00008

SPRING-CENTERING

4шт.

K9

XKAU-00009

WASHER

7шт.

K10

XKAU-00099

O-RING

3шт.

K11

XKAU-00011

O-RING

1шт.

12

XKAU-00045

SCREW-ROLLED

1шт.

13

XKAU-00046

GEROTOR SET

1шт.

S14

XKAU-00047

RACE-BEARING

2шт.

15

XKAU-00015

SCREW-BORE

1шт.

16

XKAU-00048

DRIVE

1шт.

17

XKAU-00017

CAP-END

1шт.

18

XKAU-00080

BUSHING-GLAND

1шт.

19

XKAU-00019

PLATE

1шт.

20

XKAU-00050

SCREW-CAP

6шт.

21

XKAU-00124

HOUSING

1шт.

22

XKAU-00052

SPOOL

1шт.

23

XKAU-00083

SLEEVE

1шт.

24

XKAU-00065

SPRING-PLATE

2шт.

25

XKAU-00125

P-PORT CHECK VALVE

1шт.

25-1

XKAU-00126

PLUG

1шт.

25-2

XKAU-00127

POPPET

1шт.

25-3

XKAU-00128

SPRING SEAT

1шт.

25-4

XKAU-00129

SPRING

1шт.

K

XKAU-00130

SEAL KIT

SEE ILLUST

1шт.

S

XKAU-00041

NEEDLE BEARING KIT

SEE ILLUST

1шт.

Выбрано товаров: 32