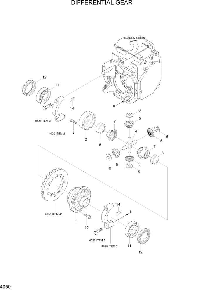
Запчасти Hyundai 15LC/18LC/20LCA-7 PAGE 4050 DIFFERENTIAL GEAR СИЛОВАЯ СИСТЕМА

Схема запчастей Hyundai 15LC/18LC/20LCA-7 - PAGE 4050 DIFFERENTIAL GEAR СИЛОВАЯ СИСТЕМА
FIT
1:1
100%

Артикул

Название

Примечание

Количество

*

@

TRANSMISSION

NOT

1шт.

*-5

FAC0300130

DIFF CASE ASSY

1шт.

N1

F12310170

DIFF CASE

NOT

1шт.

N2

F12310180

CASE

NOT

1шт.

3

201510070

BOLT-HEX

12шт.

4

DI0220A3-5M

SPIDER

1шт.

5

DI0200A3-5M

PINION GEAR

4шт.

6

DI0190A4-5M

THRUST WASHER

4шт.

7

DI0170A3-3S

SIDE GEAR

2шт.

8

FAC0313050

BUSHING

2шт.

9

F12310150

GEAR-RING

1шт.

10

FAC0313060

BOLT

12шт.

11

FAC0313070

BEARING-TAPER

2шт.

12

FAC0313080

GEAR-SCREW

2шт.

13

FAC0313090

BOLT

2шт.

14

FAC8800250

PIN-COTTER

2шт.

N

@

NOT INDIVIDUALLY SUPPLIED

NOT

ARшт.

Выбрано товаров: 17