Запчасти Hyundai 20/25/30G-7 PAGE 1020 EXHAUST SYSTEM СИСТЕМА ДВИГАТЕЛЯ

Схема запчастей Hyundai 20/25/30G-7 - PAGE 1020 EXHAUST SYSTEM СИСТЕМА ДВИГАТЕЛЯ
FIT
1:1
100%

Артикул

Название

Примечание

Количество

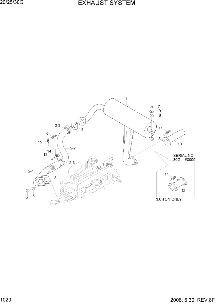
1

11HF-40021

MUFFLER WA

N-CERT,STD

1шт.

1

11HF-40010

MUFFLER WA

N-EMI,CATALYST

1шт.

1

11HF-40010

MUFFLER WA

2.0,CATAL,N-CER #0001

1шт.

1

11HF-40010

MUFFLER WA

2.5,CATAL,N-CER #0001

1шт.

1

11HF-40010

MUFFLER WA

3.0,CATAL,N-CER #0003

1шт.

2

11HF-40032

EXHAUST PIPE ASSY

1шт.

2-1

11HF-40042

PIPE-EXHAUST

1шт.

2-2

11HF-40050

INSULATOR

1шт.

2-3

S520-050000

CLAMP-HOSE

2шт.

3

11HF-40060

GASKET

2шт.

4

S206-101006

NUT-HEX

2шт.

5

S411-100006

WASHER-SPRING

2шт.

6

S037-103526

BOLT-W/WASHER

2шт.

7

S275-100006

NUT-SELF LOCKING

2шт.

8

FAC0100140

RUBBER

4шт.

9

FAC0100150

WASHER

2шт.

10

11HA-40071

TAIL PIPE WA

2.0TON

1шт.

10

11HA-40080

TAIL PIPE WA

2.5TON #0001 - #0038

1шт.

10

11HA-40071

TAIL PIPE WA

2.5TON #0039

1шт.

10

11HA-40070

TAIL PIPE WA

3.0TON #0002

1шт.

10

11HA-40080

TAIL PIPE WA

3.0TON #0003 - #0009

1шт.

10

11HA-40091

TAIL PIPE WA

3.0TON #0010

1шт.

11

S035-082526

BOLT-W/WASHER

2.0TON

2шт.

11

S035-082526

BOLT-W/WASHER

2.5TON #0038

4шт.

11

S035-082526

BOLT-W/WASHER

2.5TON #0039

2шт.

11

S035-082526

BOLT-W/WASHER

3.0TON #0009

6шт.

11

S035-082526

BOLT-W/WASHER

3.0TON #0010

2шт.

12

11HF-40081

PIPE-EXTENSION

3.0TON ONLY #0009

1шт.

13

11HA-40120

GROMMET

1шт.

14

11HA-40130

CLAMP

1шт.

15

S037-101526

BOLT-W/WASHER

1шт.

Выбрано товаров: 31