Запчасти Hyundai 20/25/30L-7 PAGE 3A80 MCV AUXILIARY 2 SECTION ГИДРАВЛИЧЕСКАЯ СИСТЕМА

Схема запчастей Hyundai 20/25/30L-7 - PAGE 3A80 MCV AUXILIARY 2 SECTION ГИДРАВЛИЧЕСКАЯ СИСТЕМА
FIT
1:1
100%

Артикул

Название

Примечание

Количество

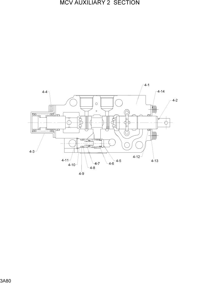
4

XKBF-01027

AUX BLOCK ASSY

4-SPOOL

1шт.

4-1

XKBF-01032

INLET BLOCK-AUX

1шт.

4-2

XKBF-01010

SPOOL ASSY-ATT

1шт.

4-3

XKBF-01011

RETURN CAP

1шт.

4-4

XKBF-00694

WRENCH BOLT

4шт.

4-5

XKBF-01012

POPPET-LOAD C/V

1шт.

4-6

XKBF-01013

SPRING-LOAD CHECK

1шт.

4-7

XKBF-01014

ADJUST-LOAD C/V

1шт.

4-8

XKBF-01015

O-RING

1шт.

4-9

XKBF-01016

BACK UP RING

1шт.

4-1

XKBF-01017

PLUG-ADJUST

1шт.

4-11

XKBF-01018

C-RING

1шт.

K4-12

XKBF-01004

O-RING

1шт.

K4-13

XKBF-01005

WIPER-DUST

1шт.

4-14

XKBF-01019

PLATE-SEAL

1шт.

Выбрано товаров: 15