Запчасти Hyundai 20/25/30L-7 PAGE 5090 ACCELERATOR LINKAGE СИСТЕМА УПРАВЛЕНИЯ

Схема запчастей Hyundai 20/25/30L-7 - PAGE 5090 ACCELERATOR LINKAGE СИСТЕМА УПРАВЛЕНИЯ
FIT
1:1
100%

Артикул

Название

Примечание

Количество

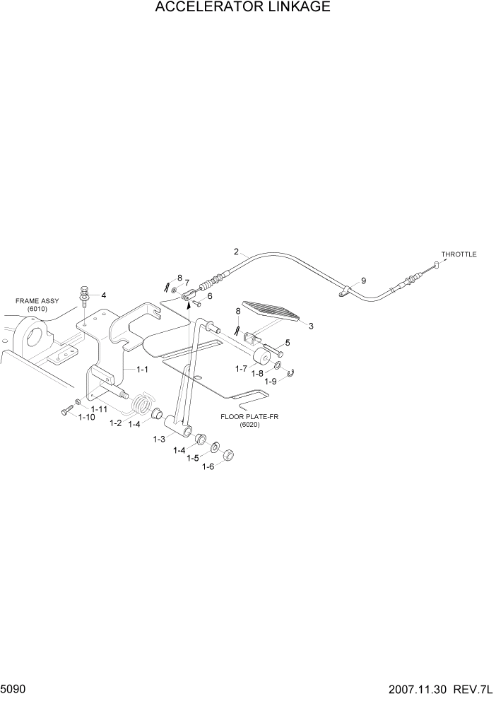
1

11HA-10011

ACCEL LINK ASSY

1шт.

1-1

11HA-10102

SUPPORT WA

1шт.

1-2

11FV-10200

SPRING-RETURN

1шт.

1-3

11HA-10110

BELL CRANK WA

1шт.

1-4

S741-151523

DU BUSH-FLANGE

2шт.

1-5

S411-100006

WASHER-SPRING

1шт.

1-6

S205-101006

NUT-HEX

1шт.

1-7

F11335020

ROLLER -ACCEL

1шт.

1-8

S403-10100B

WASHER-PLAIN

1шт.

1-9

P560-090002

RING-SNAP

1шт.

1-1

206508040-DA

BOLT-HEX

1шт.

1-11

S205-081006

NUT-HEX

1шт.

2

11HF-10011

CABLE-ACCEL

1шт.

3

11FQ-10030

PEDAL-ACCEL

1шт.

4

S037-102526

BOLT W/WASHER-HEX

3шт.

5

11FG-10040

PIN-CLEVIS

1шт.

6

S491-060182

PIN-CLEVIS

1шт.

7

S403-06200B

WASHER-PLAIN

1шт.

8

S501-060002

PIN-SELF LOCKING

2шт.

9

S543-080002

CLAMP-TUBE

2.0TON #0001

1шт.

9

S543-080002

CLAMP-TUBE

2.5TON #0005

1шт.

9

S543-080002

CLAMP-TUBE

3.0TON #0012

1шт.

Выбрано товаров: 22