Запчасти Hyundai 20/25/30LC-7 PAGE 9030 CYLINDER BLOCK ДВИГАТЕЛЬ БАЗА

Схема запчастей Hyundai 20/25/30LC-7 - PAGE 9030 CYLINDER BLOCK ДВИГАТЕЛЬ БАЗА
FIT
1:1
100%

Артикул

Название

Примечание

Количество

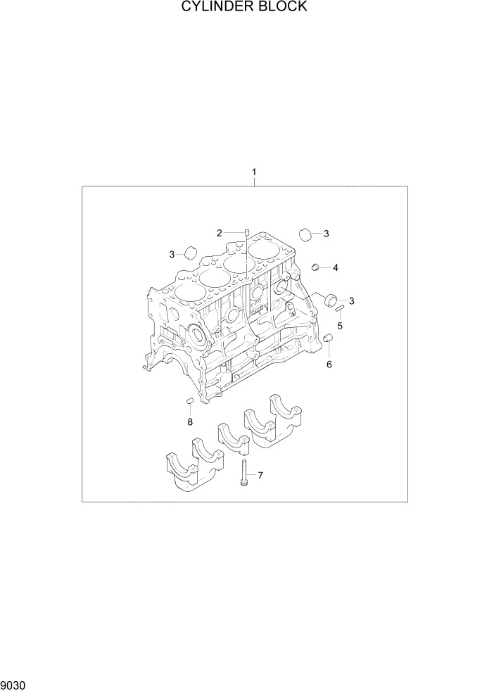
1

21100-23412

CYL BLOCK ASSY

1шт.

2

21135-2301

VALVE-NON RETURN

1шт.

3

15733-35

CAP-SEALING

9шт.

4

21133-32

PLUG-TAPER

3шт.

5

14303-0614

PIN-DOWEL(6)

2шт.

6

21124-21

BUSHING-KNOCK

2шт.

7

21114-2202

BOLT-BRG/CAP

10шт.

8

14331-1213

BUSHING-KNOCK

2шт.

9

94750-2103

SWITCH ASSY-OIL PRESS

NOT SHOWN

1шт.

10

39180-235

SENSOR-CRANKSHAFT

NOT SHOWN

1шт.

11

11403-06146K

BOLT-FLANGE

NOT SHOWN

1шт.

Выбрано товаров: 0