Запчасти Hyundai 25/30L-7A PAGE 9120 INTAKE MANIFOLD ДВИГАТЕЛЬ БАЗА

Схема запчастей Hyundai 25/30L-7A - PAGE 9120 INTAKE MANIFOLD ДВИГАТЕЛЬ БАЗА
FIT
1:1
100%

Артикул

Название

Примечание

Количество

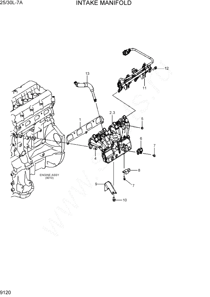
1

XKBH-00217

GASEKT-INLET MANIFOLD

1шт.

2

XKBH-00218

MANIFOLD MODULE-INLET(LP)

LPG

1шт.

3

XKBH-00219

MANIFOLD MODULE-INLET(GLS)

GASOLINE

1шт.

4

XKBH-00220

BOLT-WASHER ASSY

3шт.

5

XKBH-00209

NUT-FLANGE

2шт.

6

XKBH-00221

SENSOR-MAP & AT

1шт.

7

XKBH-00222

BOLT-FLANGE

2шт.

8

XKBH-00223

CONDENSOR

1шт.

9

XKBH-00224

STAY-INLET MANIFOLD

1шт.

10

XKBH-00225

BOLT-FLANGE

2шт.

11

XKBH-00226

D/PIPE & INJECTOR ASSY

GASOLINE

1шт.

12

XKBH-00227

BOLT-FLANGE

GASOLINE

2шт.

13

XKBH-00228

HOSE ASSY-P.C.V

1шт.

Выбрано товаров: 13