Запчасти Hyundai 25/30L-7A PAGE 3010 HYDRAULIC OIL TANK ГИДРАВЛИЧЕСКАЯ СИСТЕМА

Схема запчастей Hyundai 25/30L-7A - PAGE 3010 HYDRAULIC OIL TANK ГИДРАВЛИЧЕСКАЯ СИСТЕМА
FIT
1:1
100%

Артикул

Название

Примечание

Количество

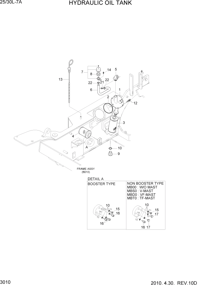
1

35HF-30030

TANK FLANGE ASSY

1шт.

2

S632-125004

O-RING

1шт.

3

F42650010

FILTER-RETURN

1шт.

4

FHC1007100

STRAINER-SUCTION

1шт.

5

31HM-30010

CAP-HYD OIL

1шт.

6

31HM-30041

HOSE-BREATHER

1шт.

7

31FV-30031

CAP-AIR BREATHER

1шт.

8

F23650200

FILTER-AIR BREATHER

1шт.

9

31HM-30020

PLUG-MAGNETIC

1шт.

10

S631-014004

O-RING

5шт.

12

S035-082026

BOLT-W/WASHER

6шт.

13

31HA-30060

DIPSTICK-HYD TANK

1шт.

14

S035-061526

BOLT-W/WASHER

1шт.

15

31HA-20160

CONNECTOR-BULK HOSE

MB00,MBS0

1шт.

16

31HA-20170

CONNECTOR-BULK HOSE

W BOOSTER

3шт.

16

31HA-20170

CONNECTOR-BULK HOSE

W/O BOOSTER

1шт.

17

P220-110103

PLUG-HEX

2шт.

17

P220-110103

PLUG-HEX

MBD0,MBT0

1шт.

21

31HM-30031

CONNECTOR-BULK HOSE

1шт.

22

33HA-83400

HOSE CLIP

2шт.

Выбрано товаров: 20