Запчасти Hyundai 25/30L-7A PAGE 3A70 MCV AUXILIARY 1 SECTION ГИДРАВЛИЧЕСКАЯ СИСТЕМА

Схема запчастей Hyundai 25/30L-7A - PAGE 3A70 MCV AUXILIARY 1 SECTION ГИДРАВЛИЧЕСКАЯ СИСТЕМА
FIT
1:1
100%

Артикул

Название

Примечание

Количество

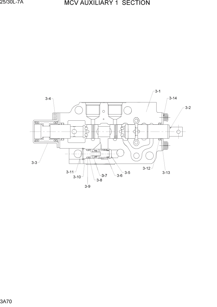
3

XKBF-01042

AUX BLOCK ASSY

4-SPOOL

1шт.

3

XKBF-01027

AUX BLOCK ASSY

3-SPOOL

1шт.

N3-1

XKBF-01044

MID BLOCK-AUX

NOT

1шт.

N3-1

XKBF-01032

INLET BLOCK-AUX

NOT

1шт.

3-2

XKBF-01045

SPOOL ASSY-ATT

4-SPOOL

1шт.

3-2

XKBF-01010

SPOOL ASSY-ATT

3-SPOOL

1шт.

3-3

XKBF-01011

RETURN CAP

1шт.

3-4

XKBF-00694

WRENCH BOLT

4шт.

3-5

XKBF-01012

POPPET-LOAD C/V

1шт.

3-6

XKBF-01013

SPRING-LOAD CHECK

1шт.

3-7

XKBF-01014

ADJUST-LOAD C/V

1шт.

3-8

XKBF-01015

O-RING

1шт.

3-9

XKBF-01016

BACK UP RING

1шт.

3-1

XKBF-01017

PLUG-ADJUST

1шт.

3-11

XKBF-01018

C-RING

1шт.

K3-12

XKBF-01004

O-RING

1шт.

K3-13

XKBF-01005

WIPER-DUST

1шт.

3-14

XKBF-01019

PLATE-SEAL

1шт.

Выбрано товаров: 18