Запчасти Hyundai 25/30LC-7A PAGE 1010 ENGINE MOUNTING СИСТЕМА ДВИГАТЕЛЯ

Схема запчастей Hyundai 25/30LC-7A - PAGE 1010 ENGINE MOUNTING СИСТЕМА ДВИГАТЕЛЯ
FIT
1:1
100%

Артикул

Название

Примечание

Количество

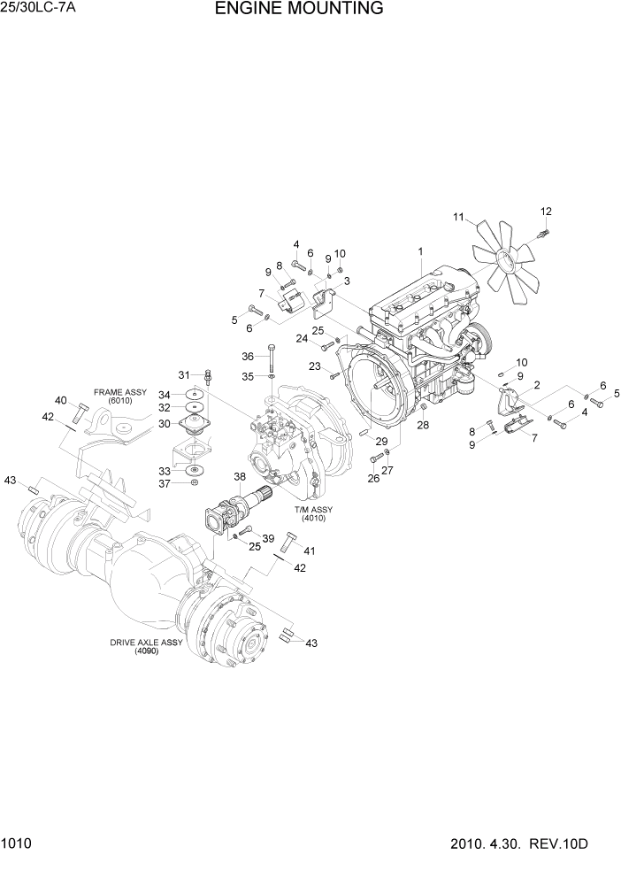
1

11HF-60501

ENGINE ASSY

SEE 9010

1шт.

2

15HC-60011

BRACKET-ENG MTG(LH)

1шт.

3

15HC-60071

BRACKET-ENG MTG(RH)

1шт.

4

S017-100606

BOLT-HEX

3шт.

5

S017-100306

BOLT-HEX

4шт.

6

S441-10000B

WASHER-HARDENED

7шт.

7

11HM-60040

MOUNT-ENGINE

2шт.

8

S017-120256

BOLT-HEX

4шт.

9

S441-12000B

WASHER-HARDENED

8шт.

10

S206-12100B

NUT-HEX

4шт.

11

F12200112

FAN-COOLING

1шт.

12

S035-082526

BOLT-W/WASHER

4шт.

23

S035-082026

BOLT-W/WASHER

#0001

8шт.

24

S018-100306

BOLT-HEX

2шт.

25

S441-10000B

WASHER-HARDENED

6шт.

26

S018-100406

BOLT-HEX

6шт.

27

S411-100006

WASHER-SPRING

6шт.

28

S206-10100B

NUT-HEX

6шт.

29

S510-122800

PIN-DOWEL

2шт.

30

11FG-60060

RUBBER-MOUNTING

2шт.

31

S035-082526

BOLT-W/WASHER

8шт.

32

FDE0100120-DA

WASHER-REBOUND

2шт.

33

FDE0100110-DA

WASHER-OVERLOAD

2шт.

34

F31330010

SHIM(1.0T)

2шт.

35

85HF-30020

WASHER-MOUNT

2шт.

36

S017-161356

BOLT-HEX

2шт.

37

S275-16000B

NUT-SELF LOCKING

2шт.

38

81HA-30032

DRIVE SHAFT ASSY

25LC-7A #0043

1шт.

38

81HF-30032

DRIVE SHAFT ASSY

25LC-7A #0044

1шт.

38

81HA-30032

DRIVE SHAFT ASSY

30LC-7A #0016

1шт.

38

81HF-30032

DRIVE SHAFT ASSY

30LC-7A #0017

1шт.

39

11HA-60050

BOLT-SOCKET

25LC-7A #0043

4шт.

39

85HH-30100

BOLT-SOCKET

25LC-7A #0044

4шт.

39

11HA-60050

BOLT-SOCKET

30LC-7A #0016

4шт.

39

85HH-30100

BOLT-SOCKET

30LC-7A #0017

4шт.

40

11HA-60200

BOLT-REAMER

2шт.

41

S018-201056

BOLT-HEX

2шт.

42

S441-200006

WASHER-HARDENED

8шт.

43

S206-20100B

NUT-HEX

6шт.

Выбрано товаров: 39