Запчасти Hyundai 25/30LC-7A PAGE 9050 CYLINDER HEAD ДВИГАТЕЛЬ БАЗА

Схема запчастей Hyundai 25/30LC-7A - PAGE 9050 CYLINDER HEAD ДВИГАТЕЛЬ БАЗА
FIT
1:1
100%

Артикул

Название

Примечание

Количество

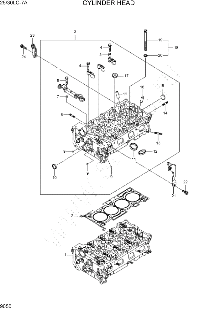
1

XKBH-00044

CYLINDER HEAD COM SUB

1шт.

2

XKBH-00045

GASKET-CYLINDER HEAD

1шт.

3

XKBH-00046

HEAD ASSY-CYLINDER

1шт.

4

XKBH-00047

BOLT-FLANGE(6X38)

16шт.

5

XKBH-00048

BUSHING-KNOCK

2шт.

6

XKBH-00049

BOLT-FLANGE(8X41)

4шт.

7

XKBH-00050

BUSHING-KNOCK

2шт.

8

XKBH-00051

STUD

7шт.

9

XKBH-00052

BALL-STEEL

3шт.

10

XKBH-00010

CAP-SEALING

3шт.

11

XKBH-00053

SEAT-INLET VALVE

8шт.

12

XKBH-00054

SEAT-EXHAUST VALVE

8шт.

13

XKBH-00055

STUD

2шт.

14

XKBH-00056

STUD

4шт.

15

XKBH-00010

CAP-SEALING

2шт.

16

XKBH-00057

GUIDE-VALVE

16шт.

17

XKBH-00058

PLUG

1шт.

18

XKBH-00059

BOLT ASSY-CYLINDER HEAD

8шт.

19

XKBH-00060

BOLT-CYLINDER HEAD

1шт.

20

XKBH-00061

WASHER-CYL HEAD BOLT

1шт.

21

XKBH-00062

HANGER-ENGINE,FR

1шт.

22

XKBH-00063

BOLT-FLANGE

1шт.

23

XKBH-00064

HANGER-ENGINE,RR

1шт.

24

XKBH-00065

BOLT-WASHER ASSY

1шт.

Выбрано товаров: 24