Качественные детали и логистика
Оригинальные и аналоговые запчасти с доставкой по России, Казахстану и Беларуси
©2022 PartSell ООО "Система" ИНН 2463123282 ОГРН 1212400004838
Центральный офис: г. Красноярск, Академика Киренского, д.87, пом.4
Телефон: 8 (800) 777-65-74 Email: zakaz@partsell.ru
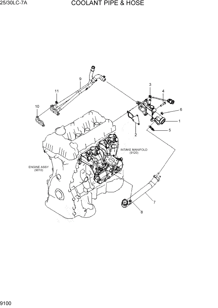
PAGE 9100 COOLANT PIPE & HOSE
№
Артикул
Название
Примечание
Количество
1
XKBH-00204
CONTROL ASSY-W/TEMP
1шт.
2
XKBH-00205
GASKET-WATER OUTLET
3
XKBH-00206
NUT-FLANGE
2шт.
4
XKBH-00207
BOLT-WASHER ASSY
5
XKBH-00208
GASKET-WATER INLET PIPE
6
XKBH-00209
7
XKBH-00210
PIPE ASSY-WATER OUTLET
8
XKBH-00043
BOLT-FLANGE
9
XKBH-00211
PIPE & HOSE ASSY-H & B/PASS
10
XKBH-00212
GASKET-HEATER & B/PASS
11
3шт.
Выбрано товаров: 0