Запчасти Hyundai 35/40/45L PAGE 6020 OUTER PANEL 1 СТРУКТУРА

Схема запчастей Hyundai 35/40/45L - PAGE 6020 OUTER PANEL 1 СТРУКТУРА
FIT
1:1
100%

Артикул

Название

Примечание

Количество

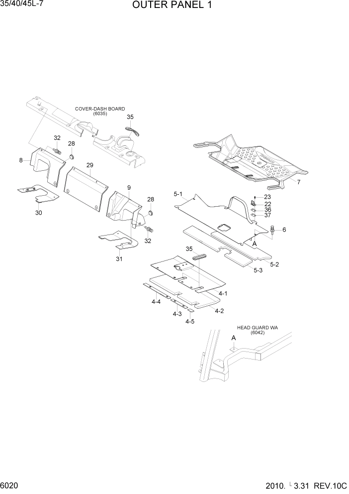
4

71HL-10021

FLOOR PLATE-FRONT

1шт.

4

71HL-10022

FLOOR PLATE-FRONT

#0001

1шт.

4-1

71HL-10031

FLOOR PLATE WA-FR

1шт.

4-1

71HL-10032

FLOOR PLATE WA-FR

#0001

1шт.

4-2

71HL-10180

SPONGE

1шт.

4-2

71HL-10181

SPONGE

#0001

1шт.

4-3

71FV-10150

RUBBER-PAD

1шт.

4-4

71FV-10160

RUBBER-PAD

1шт.

4-5

71FV-15180

RUBBER-PAD

1шт.

5

71HL-10061

FLOOR PLATE-RR

1шт.

5

71HL-10062

FLOOR PLATE-REAR

#0001

1шт.

5-1

71HL-10071

FLOOR PLATE-RR

1шт.

5-1

71HL-10072

FLOOR PLATE-REAR

#0001

1шт.

5-2

71FV-15130

SPONGE

1шт.

5-3

71FV-15140

SPONGE

1шт.

6

S035-082026

BOLT-W/WASHER

6шт.

7

71HL-10090

MAT-FLOOR

1шт.

8

71FV-15311

TILT COVER-RH

1шт.

9

71FV-15510

TILT COVER-LH

1шт.

22

71HL-10080

STRIKER

1шт.

23

S035-062546

BOLT-W/WASHER

2шт.

28

FHC0904100

RUBBER-STAY

2шт.

29

71FV-15331

COVER-FRONT

1шт.

30

71FV-15450

PLATE WA-RH

1шт.

31

71FV-15470

PLATE WA-LH

1шт.

32

S132-082026

SCREW-W/WASHER

15шт.

35

71FQ-10840

RUBBER

2шт.

36

71HA-10630

SHIM(2.0T)

#0001

1шт.

Выбрано товаров: 28