Запчасти Hyundai HLF15/HLF18-5 PAGE 3000 2-SPOOL CONTROL LEVER(STD) ГИДРАВЛИЧЕСКАЯ СИСТЕМА

Схема запчастей Hyundai HLF15/HLF18-5 - PAGE 3000 2-SPOOL CONTROL LEVER(STD) ГИДРАВЛИЧЕСКАЯ СИСТЕМА
FIT
1:1
100%

Артикул

Название

Примечание

Количество

*

@

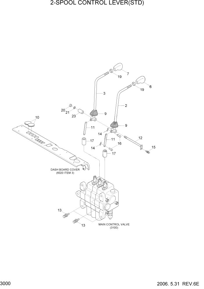
2-SPOOL CONTROL LEVER

NOT #0156

1шт.

*

@

2-SPOOL CONTROL LEVER

NOT #0135

1шт.

2

31FW-40090

CONTROL LEVER-LIFT

HLF15-5 #0182

1шт.

2

31FJ-40090

CONTROL LEVER-LIFT

HLF15-5 #0183

1шт.

2

31FW-40090

CONTROL LEVER-LIFT

HLF18-5 #0170

1шт.

2

31FJ-40090

CONTROL LEVER-LIFT

HLF18-5 #0171

1шт.

3

31FW-40100

CONTROL LEVER-TILT

HLF15-5 #0182

1шт.

3

31FW-40100

CONTROL LEVER-TILT

HLF15-5 #0183

1шт.

3

31FW-40100

CONTROL LEVER-TILT

HLF18-5 #0170

1шт.

3

31FW-40100

CONTROL LEVER-TILT

HLF18-5 #0171

1шт.

6

31FG-40500

KNOB-LIFT

1шт.

7

31FG-40510

KNOB-TILT

1шт.

9

F11100480

BELLOWS

#0001

2шт.

10

F11100450

COVER-C/LEVER

2шт.

11

F11660021

LINK-LEVER

2шт.

12

FHC1009220

SHAFT-3 SPOOL

1шт.

13

S037-102026

BOLT-W/WASHER

3шт.

14

S501-050002

PIN-SELF LOCKING

4шт.

15

S035-061526

BOLT-W/WASHER

1шт.

16

FAC1000640-01

PIN-LEVER

4шт.

17

FAC1000650

BOOT

2шт.

19

S205-101006

NUT-HEX

2шт.

20

FAC1000760

NUT

1шт.

21

S403-121006

WASHER-PLAIN

1шт.

23

31FV-40090

BOSS ASSY

HLF15-5 #0182

1шт.

23

31FV-40230

BOSS (SPACER)

HLF15-5 #0183

1шт.

23

31FV-40090

BOSS ASSY

HLF18-5 #0170

1шт.

23

31FV-40230

BOSS (SPACER)

HLF18-5 #0171

1шт.

23-1

S741-121020

DU BUSH-FLANGE

NOT SHOWN

2шт.

Выбрано товаров: 29