Запчасти Hyundai HLF15/HLF18-5 PAGE 3020 4-SPOOL CONTROL LEVER(OPTION) ГИДРАВЛИЧЕСКАЯ СИСТЕМА

Схема запчастей Hyundai HLF15/HLF18-5 - PAGE 3020 4-SPOOL CONTROL LEVER(OPTION) ГИДРАВЛИЧЕСКАЯ СИСТЕМА
FIT
1:1
100%

Артикул

Название

Примечание

Количество

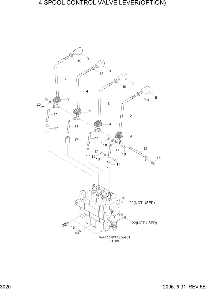
2

31FW-40090

CONTROL LEVER-LIFT

LIFT,HLF15-5 #0001 - #0182

1шт.

2

31FJ-40090

CONTROL LEVER-LIFT

LIFT,HLF15-5 #0183

1шт.

2

31FW-40090

CONTROL LEVER-LIFT

LIFT,HLF18-5 #0001 - #0170

1шт.

2

31FJ-40090

CONTROL LEVER-LIFT

LIFT,HLF18-5 #0171

1шт.

3

31FW-40100

CONTROL LEVER-TILT

TILT,HLF15-5 #0001 - #0182

1шт.

3

31FJ-40100

CONTROL LEVER-TILT

TILT,HLF15-5 #0183

1шт.

3

31FW-40100

CONTROL LEVER-TILT

TILT,HLF18-5 #0001 - #0170

1шт.

3

31FJ-40100

CONTROL LEVER-TILT

TILT,HLF18-5 #0171

1шт.

4

31FW-40110

CONTROL LEVER-ATT1

ATTACH,HLF15-5 #0001 - #0182

1шт.

4

31FW-40110

CONTROL LEVER-ATT1

ATTACH,HLF15-5 #0183

1шт.

4

31FW-40110

CONTROL LEVER-ATT1

ATTACH,HLF18-5 #0001 - #0170

1шт.

4

31FW-40110

CONTROL LEVER-ATT1

ATTACH,HLF18-5 #0171

1шт.

5

31FW-40120

CONTROL LEVER-ATT2

ATTACH,HLF15-5 #0001 - #0182

1шт.

5

31FW-40120

CONTROL LEVER-ATT2

ATTACH,HLF15-5 #0183

1шт.

5

31FW-40120

CONTROL LEVER-ATT2

ATTACH,HLF18-5 #0001 - #0170

1шт.

5

31FW-40120

CONTROL LEVER-ATT2

ATTACH,HLF18-5 #0171

1шт.

6

31FG-40500

KNOB-LIFT

#0001

1шт.

7

31FG-40510

KNOB-TILT

#0001

1шт.

8

31FG-40520

KNOB-ATTACH

#0001

2шт.

9

F11100480

BELLOWS

4шт.

11

F11660021

LINK-LEVER

4шт.

12

FAC1000743

SHAFT

1шт.

13

S037-102026

BOLT-W/WASHER

#0001

3шт.

14

S501-050002

PIN-SELF LOCKING

8шт.

15

S035-061526

BOLT-W/WASHER

1шт.

16

FAC1000640-01

PIN-LEVER

8шт.

17

FAC1000650

BOOT

4шт.

18

S403-051006

WASHER-PLAIN

8шт.

19

S205-101006

NUT-HEX

#0001

4шт.

20

FAC1000760

NUT

1шт.

21

S403-121006

WASHER-PLAIN

1шт.

22

S411-100006

WASHER-SPRING

NOT USED

4шт.

Выбрано товаров: 32