Запчасти Hyundai HLF15/HLF18-5 PAGE 3040 TILT HYDRAULIC PIPING ГИДРАВЛИЧЕСКАЯ СИСТЕМА

Схема запчастей Hyundai HLF15/HLF18-5 - PAGE 3040 TILT HYDRAULIC PIPING ГИДРАВЛИЧЕСКАЯ СИСТЕМА
FIT
1:1
100%

Артикул

Название

Примечание

Количество

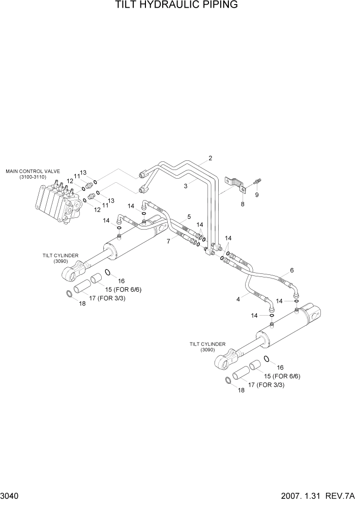
2

31FW-70021

TILT PIPE WA

1шт.

3

31FW-70031

TILT PIPE WA

1шт.

4

31FJ-70070

HOSE ASSY-ORFS 0X90

#0001

1шт.

5

31FJ-70080

HOSE ASSY-ORFS 0X90

#0001

1шт.

6

P932-044009

HOSE ASSY-ORFS 0X90

HLF15-5 #0252

1шт.

6

31FJ-70090

HOSE ASSY-ORFS 0X90

HLF15-5 #0253

1шт.

6

P932-044009

HOSE ASSY-ORFS 0X90

HLF18-5 #0256

1шт.

6

31FJ-70090

HOSE ASSY-ORFS 0X90

HLF18-5 #0257

1шт.

7

P932-044007

HOSE ASSY-ORFS 0X90

1шт.

8

F23640500

CLAMP

1шт.

9

S035-081526

BOLT-W/WASHER

2шт.

11

31N5-30050

CONNECTOR-ORFS

2шт.

12

S611-016001

O-RING

2шт.

13

S621-012001

O-RING,ORFS

2шт.

14

S621-011001

O-RING,ORFS

8шт.

15

31FE-70050

SPACER-TILT CYL

41796

2шт.

16

S631-030004

O-RING

6/6, 3/3

2шт.

17

31FW-70120

SPACER-TILT CYL

41701

1шт.

18

31FE-70210

SHIM(1.0T)

1шт.

Выбрано товаров: 19