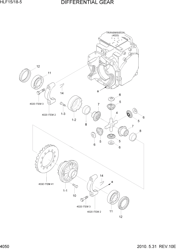
Запчасти Hyundai HLF15/HLF18-5 PAGE 4050 DIFFERENTIAL GEAR СИЛОВАЯ СИСТЕМА

Схема запчастей Hyundai HLF15/HLF18-5 - PAGE 4050 DIFFERENTIAL GEAR СИЛОВАЯ СИСТЕМА
FIT
1:1
100%

Артикул

Название

Примечание

Количество

1

DW0100A2-3S

DIFF CASE ASSY

#0001

1шт.

N1-1

D10150A2-5M

DIFFERENTIAL CASE

NOT #0001

1шт.

N1-2

D10160A2-5M

CASE

NOT #0001

1шт.

1-3

1010-5107

BOLT

#0001

12шт.

4

DI0220A3-5M

SPIDER

1шт.

5

DI0200A3-5M

PINION GEAR

4шт.

6

DI0190A4-5M

THRUST WASHER

4шт.

7

DI0170A3-3S

SIDE GEAR

2шт.

8

FAC0313050

BUSHING

2шт.

9

F12310150

GEAR-RING

1шт.

10

FAC0313060

BOLT

12шт.

11

FAC0313070

BEARING-TAPER

2шт.

12

FAC0313080

GEAR-SCREW

2шт.

13

FAC0313090

BOLT

2шт.

14

FAC8800250

PIN-COTTER

2шт.

N

@

NOT SUPPLIED PARTS

NOT

ARшт.

Выбрано товаров: 16