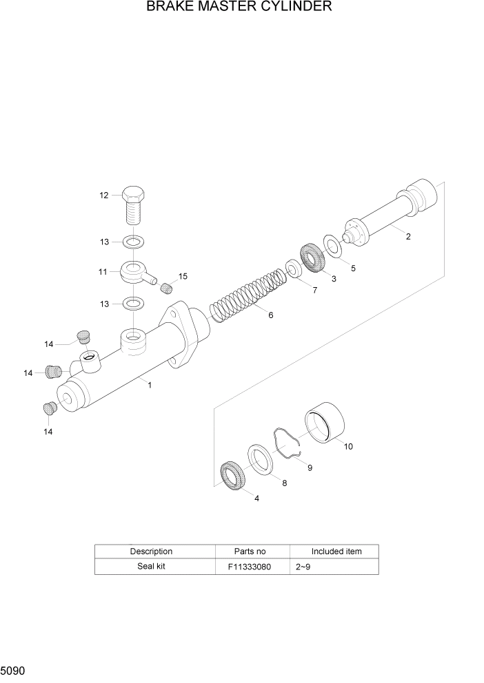
Запчасти Hyundai HLF15/HLF18-5 PAGE 5090 BRAKE MASTER CYLINDER СИСТЕМА УПРАВЛЕНИЯ

Схема запчастей Hyundai HLF15/HLF18-5 - PAGE 5090 BRAKE MASTER CYLINDER СИСТЕМА УПРАВЛЕНИЯ
FIT
1:1
100%

Артикул

Название

Примечание

Количество

*

F11333040

MASTER CYLINDER ASSY

1шт.

1

XKBS-00024

BODY

1шт.

K2

XKBS-00025

PISTON

1шт.

K3

XKBS-00026

CUP-PRIMARY

1шт.

K4

XKBS-00027

CUP-SECONDARY

1шт.

K5

XKBS-00028

SPACER

1шт.

K6

XKBS-00029

SPRING

1шт.

K7

XKBS-00030

SEAT-SPRING

1шт.

K8

XKBS-00031

PLATE

1шт.

K9

XKBS-00032

RING-RETAINING

1шт.

10

XKBS-00033

BOOT

1шт.

11

XKBS-00034

UNION

1шт.

12

XKBS-00035

BOLT-UNION

1шт.

13

XKBS-00036

WASHER

2шт.

14

XKBS-00023

CAP

3шт.

15

XKBS-00022

CAP

1шт.

K

F11333080

SEAL KIT

SEE ILLUST

1шт.

Выбрано товаров: 17