Качественные детали и логистика
Оригинальные и аналоговые запчасти с доставкой по России, Казахстану и Беларуси
©2022 PartSell ООО "Система" ИНН 2463123282 ОГРН 1212400004838
Центральный офис: г. Красноярск, Академика Киренского, д.87, пом.4
Телефон: 8 (800) 777-65-74 Email: zakaz@partsell.ru
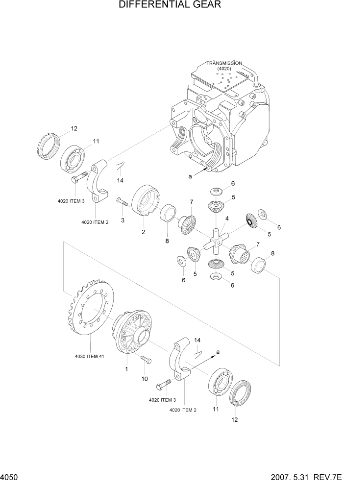
PAGE 4050 DIFFERENTIAL GEAR
№
Артикул
Название
Примечание
Количество
*
FAC0300130
DIFF CASE ASSY
#0001
1шт.
N1
F12310170
DIFF CASE
NOT
N2
F12310180
CASE
3
201510070
BOLT-HEX
12шт.
4
DI0220A3-5M
SPIDER
5
DI0200A3-5M
PINION GEAR
4шт.
6
DI0190A4-5M
THRUST WASHER
7
DI0170A3-3S
SIDE GEAR
2шт.
8
FAC0313050
BUSHING
9
F12310150
GEAR-RING
10
FAC0313060
BOLT
11
FAC0313070
BEARING-TAPER
12
FAC0313080
GEAR-SCREW
13
FAC0313090
14
FAC8800250
PIN-COTTER
N
@
NOT INDIVIDUALLY SUPPLIED
ARшт.
Выбрано товаров: 0