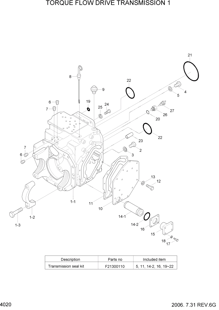
Запчасти Hyundai HLF20/HLF25/HLF30-5 PAGE 4020 TORQUE FLOW DRIVE TRANSMISSION 1 СИЛОВАЯ СИСТЕМА

Схема запчастей Hyundai HLF20/HLF25/HLF30-5 - PAGE 4020 TORQUE FLOW DRIVE TRANSMISSION 1 СИЛОВАЯ СИСТЕМА
FIT
1:1
100%

Артикул

Название

Примечание

Количество

*

81FG-30600

TRANSMISSION

SEE 4030 #0001

1шт.

1

FAC0311010

CASE ASSY

1шт.

1-1

F12310140

CASE

1шт.

1-2

FAC0311020

CAP

2шт.

1-3

FAC0311030

BOLT-REAMER

4шт.

2

FAC0311040

PLUG

1шт.

3

FAC0311050

GASKET

1шт.

4

FAC0311060

PLUG

1шт.

K5

FAC8800010

WASHER-SEAL

1шт.

6

FAC8800020

PLUG

2шт.

7

FAC8800030

PLUG

3шт.

8

FAC0311070

GAUGE-OIL LEVEL

1шт.

9

FAC0311080

CAP

1шт.

10

FAC0311090

PLATE

1шт.

K11

FAC0311100

GASKET

1шт.

12

201508020

BOLT-HEX

13шт.

13

233308000

WASHER-SPRING

13шт.

14

FAC0311110

FILTER ASSY

1шт.

14-1

FAC0311120

RETURN-FILTER

1шт.

K14-2

FAC8800120

O-RING

1шт.

15

FAC0311130

PLATE

1шт.

K16

FAC0311140

GASKET

1шт.

17

201508030

BOLT-HEX

4шт.

18

233308000

WASHER-SPRING

4шт.

K19

FAC8800130

O-RING

6шт.

K20

FAC8800140

O-RING

1шт.

K21

FAC8800150

O-RING

1шт.

K22

FAC8800160

O-RING

2шт.

23

FAC8800170

PIN-DOWEL

1шт.

24

201512035

BOLT-HEX

11шт.

25

233312000

WASHER-SPRING

11шт.

26

FAC0300300-02

ADAPTOR

1шт.

27

FAC0300110

SENSOR-T/M OIL TEMP

1шт.

K

F21300110

SEAL KIT

INCL 4030

1шт.

Выбрано товаров: 34