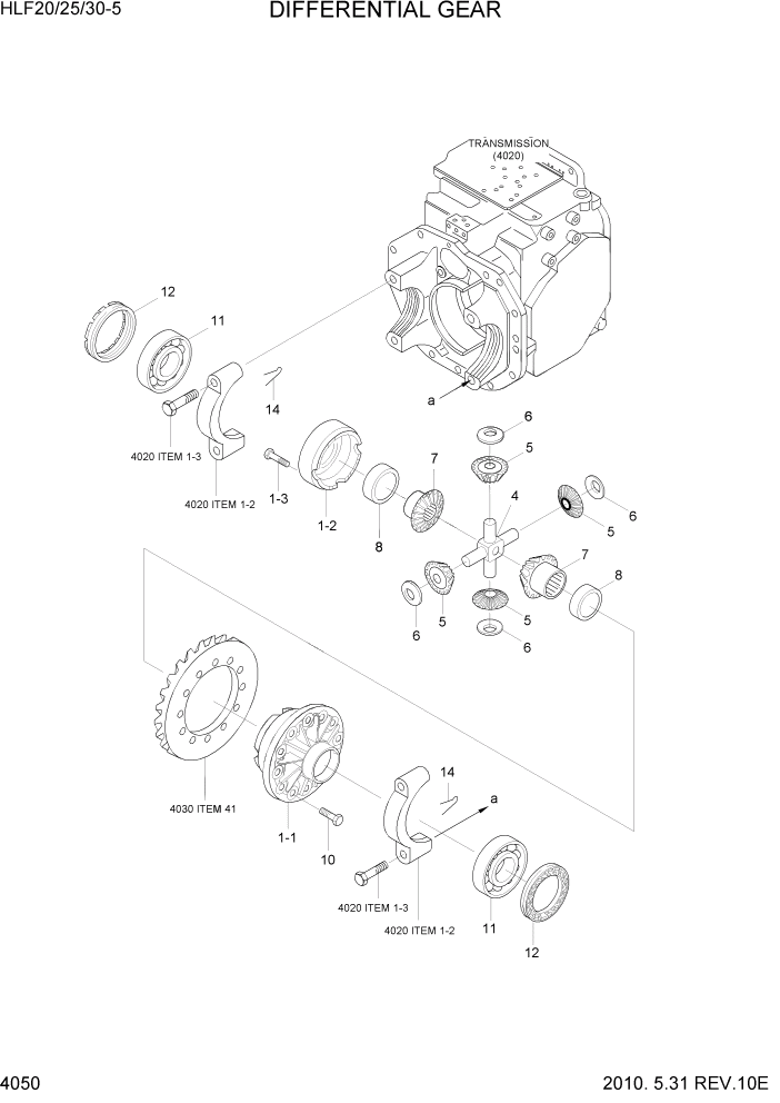
Запчасти Hyundai HLF20/HLF25/HLF30-5 PAGE 4050 DIFFERENTIAL GEAR СИЛОВАЯ СИСТЕМА

Схема запчастей Hyundai HLF20/HLF25/HLF30-5 - PAGE 4050 DIFFERENTIAL GEAR СИЛОВАЯ СИСТЕМА
FIT
1:1
100%

Артикул

Название

Примечание

Количество

N*

81FG-30800

DIFF GEAR ASSY

NOT

1шт.

1

FAC0300130

DIFF CASE ASSY

1шт.

N1-1

F12310170

DIFF CASE

NOT

1шт.

N1-2

F12310180

CASE

NOT

1шт.

1-3

201510070

BOLT-HEX

12шт.

4

FAC0313010

SPIDER

1шт.

5

FAC0313020

PINION-DIFFERENTIAL

4шт.

6

FAC0313030

WASHER

4шт.

7

FAC0313040

PINION-DIFFERENTIAL

2шт.

8

FAC0313050

BUSHING

2шт.

10

FAC0313060

BOLT

12шт.

11

FAC0313070

BEARING-TAPER

2шт.

12

FAC0313080

GEAR-SCREW

2шт.

14

FAC8800250

PIN-COTTER

2шт.

N

@

NOT SUPPLIED PARTS

NOT

ARшт.

Выбрано товаров: 15