Запчасти Hyundai HLF15/HLF18-2 PAGE 8010 DECAL(DOMESTIC) ДРУГИЕ ЧАСТИ

Схема запчастей Hyundai HLF15/HLF18-2 - PAGE 8010 DECAL(DOMESTIC) ДРУГИЕ ЧАСТИ
FIT
1:1
100%

Артикул

Название

Примечание

Количество

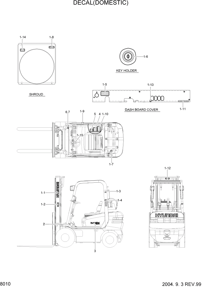
1

F21702100

DECAL KIT

1шт.

1-1

2D2001130

DECAL-HYUNDAI LOGO

2шт.

1-2

2D0200030

DECAL-WARNING PLATE

2шт.

1-3

2D2000240

DECAL-HANGER

2шт.

1-4

2D2000320

DECAL-AIR INTAKE

1шт.

1-5

2D0300110

DECAL-PARKING BRAKE

1шт.

1-6

2D2000310

DECAL-STARTING SW

1шт.

1-7

2D2000260

DECAL-TEMPERATURE

1шт.

1-8

2D0300130

DECAL-RADIATOR

HLF15-2 #2178

1шт.

1-8

91FJ-00190

DECAL-RADIATOR CAP

HLF15-2 #2179

1шт.

1-8

2D0300130

DECAL-RADIATOR

HLF18-2 #2162

1шт.

1-8

91FJ-00190

DECAL-RADIATOR CAP

HLF18-2 #2163

1шт.

1-9

2D2000100

DECAL-HYD OIL

1шт.

1-1

2D0500020

DECAL-MAINTENANCE

1шт.

1-11

2D0300070

DECAL-OP PANEL

1шт.

1-12

2D0300090

DECAL-HAND CAUTION

1шт.

1-13

2D2000010

DECAL-ON/OFF

1шт.

1-14

2D0200020

DECAL-FAN

1шт.

1-15

2D2001160

DECAL-HANDLE

1шт.

2

2D2000760

DECAL-TIRE

HLF15-2 #2178

1шт.

2

91FG-00760

DECAL-TIRE

HLF15-2 #2179

1шт.

2

2D2000760

DECAL-TIRE

HLF18-2 #2162

1шт.

2

91FG-00760

DECAL-TIRE

HLF18-2 #2163

1шт.

3

2D1101030

DECAL-MODEL NAME

HLF15-2

2шт.

3

2D1101040

DECAL-MODEL NAME

HLF18-2

2шт.

4

2D0400571

DECAL-SPECIFICATION

HLF15-2 #2111

1шт.

4

F21211020

EQUIP SPECIFICATION

HLF15-2 #2112

1шт.

4

2D0400581

DECAL-SPECIFICATION

HLF18-2 #2116

1шт.

4

F21211020

EQUIP SPECIFICATION

HLF18-2 #2117

1шт.

5

2D1101010

DECAL-LOAD CAPACITY

HLF15-2

1шт.

5

2D1101020

DECAL-LOAD CAPACITY

HLF18-2

1шт.

6

2D0900100

NAME PLATE

1шт.

7

9055000309

RIVET

4шт.

Выбрано товаров: 33