Запчасти Hyundai HLF20/HLF25/HLF30C-2 PAGE 5030 STEERING COLUMN СИСТЕМА УПРАВЛЕНИЯ

Схема запчастей Hyundai HLF20/HLF25/HLF30C-2 - PAGE 5030 STEERING COLUMN СИСТЕМА УПРАВЛЕНИЯ
FIT
1:1
100%

Артикул

Название

Примечание

Количество

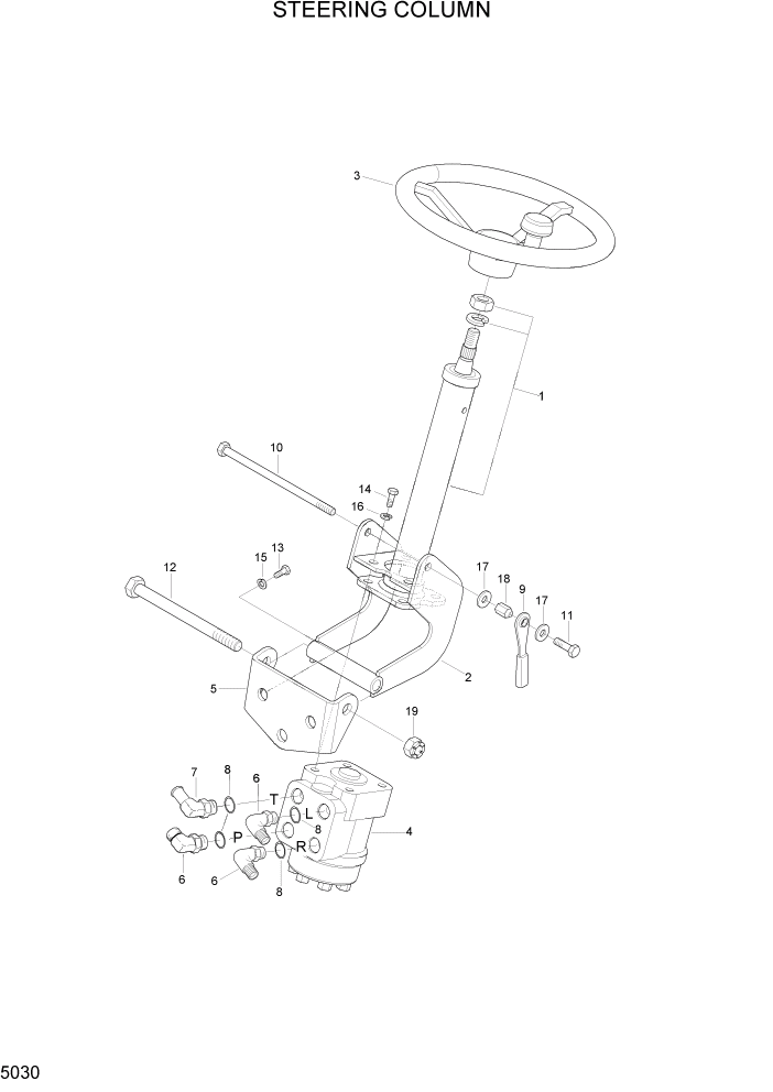
1

B52630020

COLUMN-STEERING

#2005

1шт.

1

F53140060

STEERING COLUMN

#2006

1шт.

1

B52630020

COLUMN-STEERING

#2082

1шт.

1

F53140060

STEERING COLUMN

#2083

1шт.

1

B52630020

COLUMN-STEERING

#2016

1шт.

1

F53140060

STEERING COLUMN

#2017

1шт.

2

B51630031

BRACKET-STEERING UNIT

1шт.

3

F12140010

HANDLE

1шт.

4

F12630030

STEERING UNIT

1шт.

5

B51630050

BRACKET-COLUMN

1шт.

6

28N310004

ELBOW

3шт.

7

F53610090

ELBOW-90

1шт.

8

2Q4690800

O-RING

4шт.

9

FAD0600090

LEVER-ADJUST

1шт.

10

B51630040

BOLT-ADJUST

1шт.

11

FAD0600110

BOLT-ADJUST

1шт.

12

201512130

BOLT-HEX

1шт.

13

201508015

BOLT-HEX

3шт.

14

201510025

BOLT-HEX

4шт.

15

233308000

WASHER-SPRING

3шт.

16

233310000

WASHER-SPRING

4шт.

17

FAD0600080

WASHER

2шт.

18

FAD0600070

NUT-ADJUST

1шт.

19

223112000

NUT-SELF LOCK

1шт.

Выбрано товаров: 24