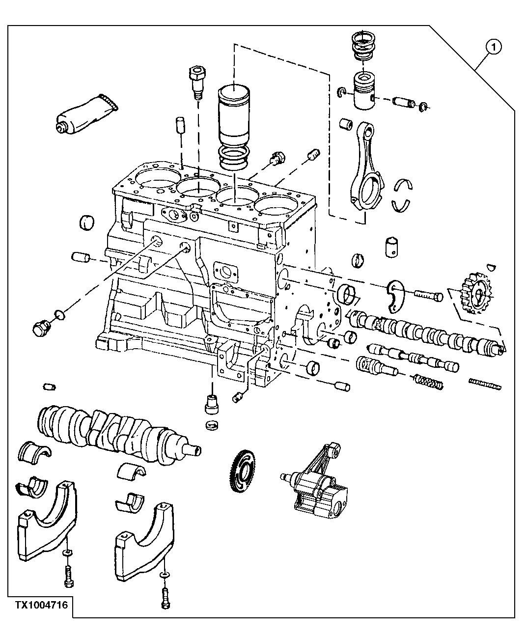
Запчасти John Deere 10 76 - Engine Short Block (704562 - 803026) 0404B Cylinder Block 4045TT054 4045TT054

Схема запчастей John Deere 10 - 76 - Engine Short Block (704562 - 803026) 0404B Cylinder Block 4045TT054 4045TT054
FIT
1:1
100%

Артикул

Название

Примечание

Количество

1

RE516101

Short Block Assembly

Does Not Include Front Plate (MA RKED R115081 ) (SUB FOR RE65957)

1шт.

SE500725

Complete Block Assy Reman

(TO4045TTO54/PE4045TP052)

1шт.

SE501071

Complete Block Assy Reman

(PE4045TP058)

1шт.

Выбрано товаров: 3