Качественные детали и логистика
Оригинальные и аналоговые запчасти с доставкой по России, Казахстану и Беларуси
©2022 PartSell ООО "Система" ИНН 2463123282 ОГРН 1212400004838
Центральный офис: г. Красноярск, Академика Киренского, д.87, пом.4
Телефон: 8 (800) 777-65-74 Email: zakaz@partsell.ru
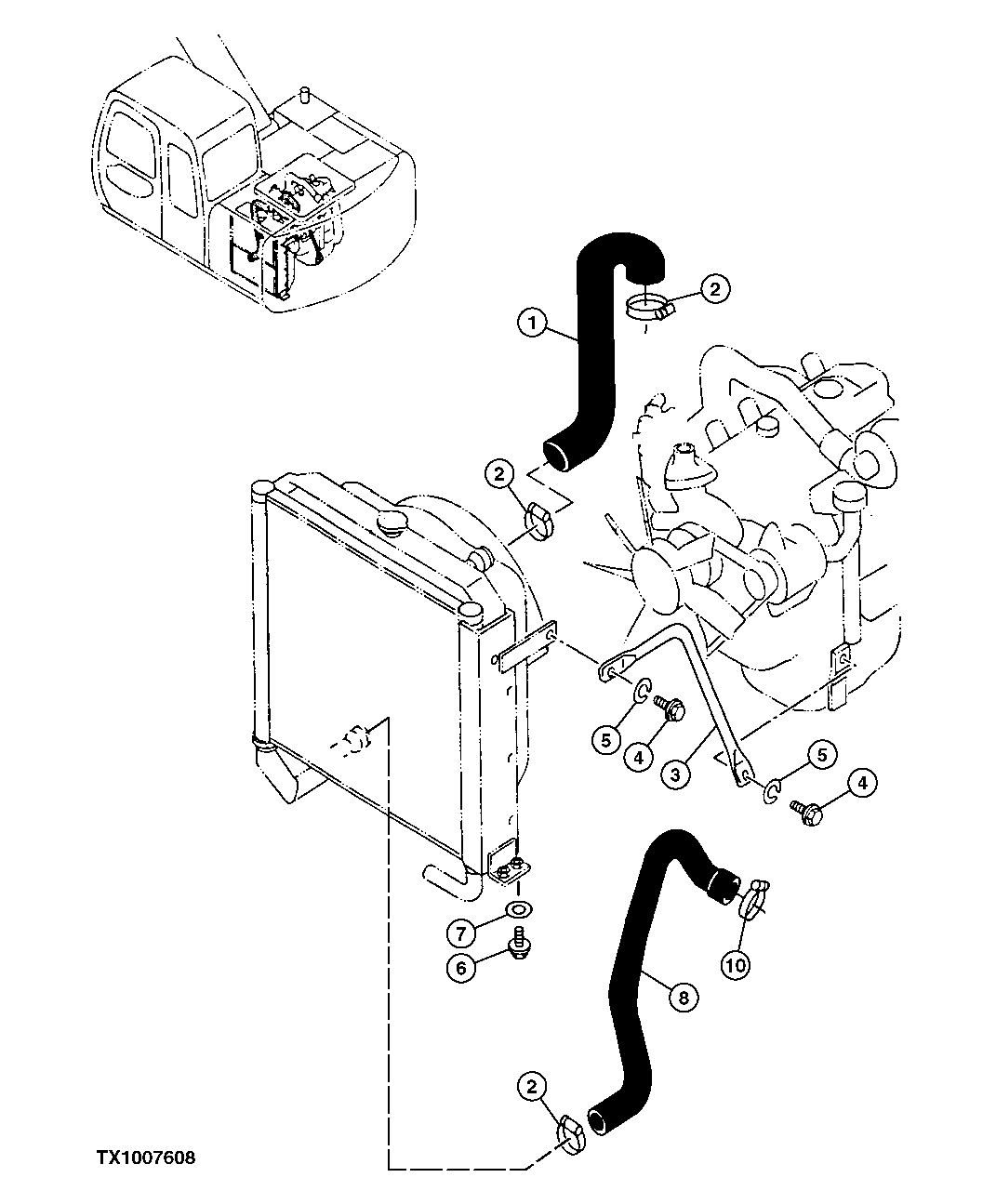
117 - Radiator Hoses and Mounting
№
Артикул
Название
Примечание
Количество
1
P60677
Hydraulic Hose
(FOR USE WITH T04045TT 054 ENGINE WITH ENGINE)
1шт.
P61115
Radiator Hose
(FOR USE WITH PE4045TP052 ENGINE)
2
AR21999
Hose Clamp
3шт.
3
P61948
Bracket
4
19M8035
Cap Screw
M16 X 35
2шт.
5
12H294
Lock Washer
5/8"
6
19M7403
M12 X 35
4шт.
12M7058
12 mm (SUB FOR 12M7067)
7
24M7226
Washer
13 X 35 X 5 mm (SUB FOR 24M7345, APPL)
8
P61111
Hose
(SUB FOR P60753)
10
AR40418
Выбрано товаров: 0